Лабораторная
работа
Изучение
конструкции и регулирование червячных редукторов
1. Цель работы
- Познакомиться с классификацией, кинематическими
схемами, конструкцией, узлами и деталями червячных редукторов.
- Выяснить назначение всех деталей редуктора.
- Определить параметры зацепления.
- Выяснить назначение регулировок узлов редуктора и
произвести регулировку подшипников и зацепления при сборке редуктора.
2. Теоретические
положения
2.1.
Общие сведения
Червячная передача относится к передачам зацепления с
перекрещивающимися осями валов. Угол перекрещивания обычно равен 900.
Преимущества червячной передачи: возможность получения
больших передаточных отношений в одной
паре (до 1000); плавность и бесшумность работы, возможность самоторможения.
Недостатки: низкий КПД (0,7…0,92), повышенный износ, склонность к заеданию,
необходимость применения для изготовления колес дорогих антифрикционных
материалов.
2.2.
Конструкция и геометрия червяков
Для червяков силовых передач применяют углеродистые и
легированные стали марок: 45, 20Х, 40Х, 40Н и другие, закаленные до
твердости 45… 55 НRC
с последующей шлифовкой и полированием, что обеспечивает высокую твердость
рабочих поверхностей. В большинстве случаев червяк выполняют как целое с валом.
При отсутствии оборудования для шлифования червяков
вместо закалки применяют улучшение или нормализацию.
В качестве материалов для изготовления венцов
червячных колес используют оловянистые
бронзы. При скоростях
скольжения Vск = 5…30 м/с для венцов червячных колес применяют бронзу Бр010Н1Ф1,
Бр010Н1Ф1. При Vск ≤ 6 м/с для зубчатых венцов применяют
менее дорогие безоловянистые бронзы БрА9ЖЗЛ,
БрА10Ж4Н4 и другие. Для центра колеса применяют чугун или углеродистую
сталь.
По форме поверхности, на которой нарезают
резьбу, различают цилиндрические (см. рисунок 1,а) и глобоидные червяки (см. рисунок 1,б).
а)
б)
Рис.1. Формы поверхности для нарезки резьбы
По форме профиля витков червяка в осевом сечении
различают червяки с прямолинейным профилем (см. рисунок 2, а) и криволинейным (см. рисунок 2, б). Червяки с прямолинейным профилем называют архимедовыми червяками,
так как в торцевом сечении витка получается спираль Архимеда. Червяки с криволинейным
профилем называют эвольвентными, так как в торцевом
сечении витка получается эвольвента.
Как и все винты, червяки могут быть
одновитковыми многовитковыми (однозаходными и многозаходными). В зависимости от
передаточного числа червячной передачи число витков (заходов) – z1
может быть равно 1, 2 и 4.
Как правило, червяки изготовляют за одно
целое с валом.
а)
б)
Рис.2. Форма профиля витков червяка в осевом сечении
В целях экономии дорогостоящих цветных металлов
червячные колеса диаметром более (150 – 200) мм выполняют составными
(см. рисунок 3) из стальной или чугунной ступицы 1, и бронзового венца 2. На
рисунке 6а бронзовый венец посажен на
стальной центр (ступицу) с натягом. Для предотвращения взаимного смещения в
стыкуемые поверхности ввертывают винты 3. Головки винтов после завинчивания
срезаются.
На рисунке 3, б приведена болтовая конструкция составного колеса. Бронзовый венец
прикрепляют к ступице болтами 4.
а)
б)
в)
Рис.3. Варианты составных колес
Биметаллическая конструкция колеса (см.
рисунок 3,в), в которой бронзовый
венец отливают в форму с предварительно вставленным в нее стальным центром,
наиболее рациональна. Применяется она в серийном производстве червячных
передач.
2.3.
Конструкция червячного редуктора
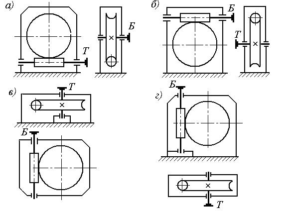
Основные кинематические схемы одноступенчатых
червячных редукторов представлены на рисунке 4. На схемах быстроходный вал
обозначен Б, тихоходный – Т.

Рис.4. Кинематические схемы одноступенчатых червячных
редукторов
При окружных скоростях червяка до 4… 5 м/с применяют редукторы с нижним расположением червяка
(рисунок 4, а). При больших скоростях используется только схема редуктора с
верхним расположением червяка рисунок 4,б.
Смазывание червячной передачи проводится погружением
червяка в масло.
При верхнем или вертикальном расположении червяка
(рисунок 4, г) смазывание зацепления
обеспечивается погружением червячного колеса.
При окружных скоростях червяка более 5 м/с наблюдаются большие потери на перемешивание смазки,
поэтому червяк располагают над колесом (рисунок 4, б).
Передачи с вертикальным расположением вала червячного
колеса (рисунок 4, в) или червяка
(рисунок 4, г) используют редко вследствие трудности смазывания подшипников
вертикальных валов.
Червячные редукторы предназначены для уменьшения
угловой (окружной) скорости и увеличения вращающего момента на ведомом валу.
Характеризуются редукторы передаточным числом, вращающим
моментом, частотой вращения ведущего или ведомого валов.
Наибольшее распространение получили одноступенчатые
червячные редукторы с диапазоном передаточных чисел U=8…63.
При больших передаточных числах применяют
двухступенчатые червячные редукторы или комбинированные редукторы, состоящие из
червячной и зубчатой передач. Серийно выпускаются только одноступенчатые червячные
редукторы, с различными вариантами расположения червяка и червячного колеса. В
машинах легкой и текстильной промышленности червячные передачи применяются в
виде отдельных механизмов, для получения малых скоростей движения или точных
перемещений.
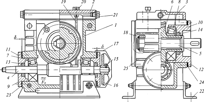
Конструкция червячного редуктора приведена на рисунке
5. Редуктор состоит из корпуса 1 и крышки 2, которые соединены болтами 3.
Корпус и крышку выполняют литыми из чугуна (или
алюминиевых сплавов). Вращательное движение от быстроходного вала-червяка 4 к
тихоходному валу 5 осуществляется червячным колесом 6, которое установлено на валу при помощи
шлицев. Червяк выполнен заодно с
валом. Валы установлены в корпусе редуктора на конических
роликоподшипниках 7 и 8.

Рис.5. Червячный
редуктор
Накладные крышки
9 и стаканы 10
крепятся к корпусу с помощью болтов
11 и 12. В крышках и стаканах установлены
манжеты 13 и 14.
К валу червяка 4 винтом
15 крепится крыльчатка 16, которая служит для охлаждения редуктора.
К корпусу редуктора крепится кожух крыльчатки
17. Кольцо пружинное 18 фиксирует червячное колесо от осевого
смещения. Смазка редуктора картерная. Уровень масла контролируется маслоуказателем
19 с отдушиной 20. Отверстие под маслоуказатель
используется для заливки масла. Слив масла производится через сливное
отверстие, закрываемое пробкой 21. К
корпусу редуктора 1 крепятся съемные лапы 22. Набор прокладок 23 и 24.
Охлаждение редуктора с помощью крыльчатки. Улучшению
теплоотвода способствуют ребра 25,
отлитые заодно с корпусом.
Основной способ смазки червячного зацепления -
окунание червяка или колеса в масляную ванну картера редуктора. Масляная ванна
должна иметь достаточную ёмкость во избежание быстрого старения масла и перемещения продуктов износа и
осадков в зацепление и опоры валов. При нижнем расположении червяка уровень
масла обычно назначают из условия полного погружения витков червяка. Уровень
масла при верхнем расположении червяка назначают из условия полного погружения
зуба червячного колеса.
В быстроходных червячных редукторах большой мощности
применяют циркуляционную смазку. Для контроля уровня масла применяют маслоуказатели. Для заливки масла и контроля пятна контакта
используют смотровой лючок или верхнюю крышку редуктора. В нижней части корпуса редуктора
устанавливают пробку для слива масла. Через отдушину на крышке смотрового лючка
в редукторах типа РЧН или РЧП выравнивают давление воздуха внутри корпуса
редуктора по отношению к наружному. В редукторах типа РЧУ для этой цели предусматривается отверстие в
щупе маслоуказателя.
Для устранения утечек масла и попадания внутрь редуктора
пыли и грязи в сквозных крышках опор
редуктора устанавливают уплотнения.
Наиболее часто применяют уплотнения манжетного типа.
2.4.
Конструкция опор валов червяка и колеса
Опорами валов червяка и колеса служат подшипники
качения. В червячном зацеплении возникают как радиальные, так и осевые усилия,
поэтому в опорных узлах используют радиально-упорные подшипники. Способ установки
подшипников зависит от длины вала и температурных режимов. Для валов, у которых
расстояние между опорами небольшое (до 300
мм), работающих при небольших
перепадах температуры, применяют установку подшипников – «враспор» (см. рисунок
6, а). При этом торцы наружных колец
подшипников упираются в торцы подшипниковых крышек, а торцы внутренних колец -
в буртики вала.
Если расстояние между опорами вала большое (300 мм), то одна из опор выполняется
фиксирующей, а другая плавающей (см. рисунок 6, б). Фиксирующая опора (левая) может быть образована из двух
радиально-упорных подшипников, воспринимающих двухсторонние осевые усилия.
Плавающая опора (правая) реализуется радиальным шарикоподшипником с незакрепленным
наружным кольцом. При возникновении теплового удлинения вала, плавающий
подшипник может свободно перемещаться в корпусе.
Вал червячного колеса обычно имеет небольшую длину.
Поэтому в опорах устанавливают по одному радиально-упорному подшипнику. Их
устанавливают «враспор».
а) 
б) 
Рис.6. Конструкция опор валов червяка и червячного
колеса
2.5. Корпуса червячных редукторов
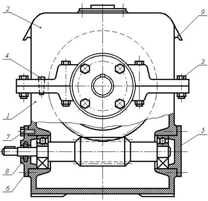
В серийном производстве корпуса червячных
редукторов изготовляют литыми из серого чугуна, иногда
из стали или алюминия. Корпуса выполняются двух типов: разъемные и неразъемные.
Разъемные корпуса (см. рисунок 7) состоят из собственно корпуса 1 и крышки 2, соединенных с помощью стяжных болтов 3.
Корпуса относительно небольших червячных
редукторов с межосевым расстоянием до
100 мм изготавливают чаще всего без разъёма (тип РЧУ40….РЧУ100). Редукторы с межосевым
расстоянием 125 мм и более имеют обычно корпуса с разъёмом по оси червячного
колеса.
Крышку и корпус редукторов обычно изготавливают из
серого чугуна или из алюминиевого сплава АЛ-3.
Для исключения сдвига крышки относительно
корпуса устанавливают два штифта 4.
Плоскость разъема располагается горизонтально и проходит по оси вала колеса.
При сборке редуктора плоскость разъема смазывается
пастой «герметик» или лаком, для устранения утечек масла, залитого в корпус.
Использование прокладок в плоскости разъема не допускается. Сборка червячного
колеса в корпусе осуществляется при снятой крышке.

Рис.7. Корпус червячного редуктора
Отверстия под подшипники червяка и вала
колеса закрываются торцевыми подшипниковыми крышками. Торцевые крышки бывают
глухие 5 и сквозные 6 и крепятся к корпусу болтами 7. В сквозной крышке имеется отверстие
для прохода наружу выходного конца вала. Между отверстием в крышке и выходным
концом вала всегда есть зазор. Чтобы через этот зазор не вытекало масло, и не
проникали внутрь извне пыль и грязь, крышки снабжаются уплотнительными
устройствами 8. Чаще всего применяют
манжетные, сальниковые или лабиринтные уплотнения.
Для подъема и перемещения редуктора служат
специальные приливы 9, расположенные
на крышке корпуса.
В неразъемных корпусах размеры посадочных
диаметров торцевых крышек подшипников вала колеса делаются больше наружного
диаметра колеса. Это позволяет вставлять (или извлекать) червячные колеса
внутрь корпуса через отверстия, выполненные для торцевых крышек.
2.6.
Регулирование подшипников и червячного зацепления
Наличие зазоров в подшипниках обеспечивает легкое
вращение вала, а отсутствие их увеличивает сопротивление вращению.
Регулирование радиально-упорных подшипников с
коническими роликами состоит в том, чтобы получить оптимальный зазор между
роликами и кольцами, при котором не наблюдается «болтанки» нагруженных колец подшипников
(детали ударяются друг о друга, что может вызвать поломку подшипников).
Величина указанного зазора нормирована и называется осевой
игрой, т.е. величина перемещения червяка в осевом направлении при плотно подтянутых
крышках подшипников.
Регулирование производится набором прокладок 23
и 24 (рисунок 5), устанавливаемых под фланец крышек
подшипников. Для этой цели применяют набор тонких металлических прокладок
(толщиной
0,1
мм). Удобно производить регулирование
набором прокладок разной толщины.
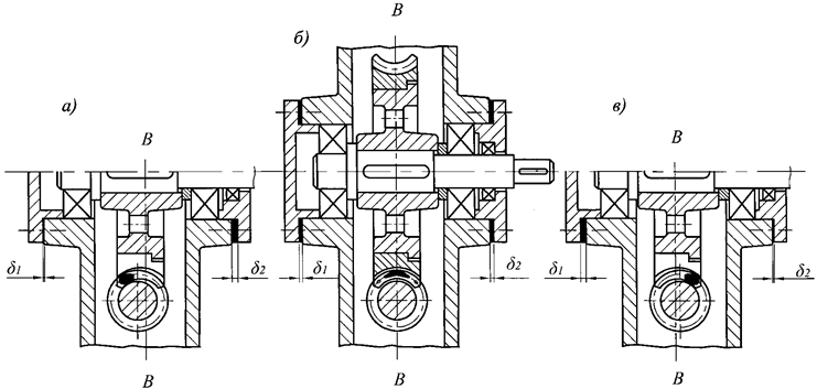
Существует два способа установки подшипников качения
при насадке их на вал – червяк: враспор
и с плавающей опорой.
Враспор подшипники червяка устанавливают при межосевом
расстоянии у червячной передачи до
При работе редуктора червяк и другие детали
нагреваются, удлиняются (расширяются). Однако, благодаря небольшой длине
червяка, его удлинение обычно получается меньше осевой игры в подшипниках. Поэтому заклинивание подшипников не происходит и
червяк может свободно вращаться при установке подшипников враспор.
Осевая сила Fa (рисунок 5) на червяке изменяет направление на
противоположное в зависимости от изменения направления вращения червяка. При
этом один подшипник воспринимает осевую силу
Fa в одном направлении, а другой – в
противоположном. Сила Fa с червяка
4 передается последовательно на
внутреннее кольцо подшипника, ролик (тело качения) и наружное кольцо
подшипника 7, а затем на крышку
подшипника 9, болт 11 и
окончательно воспринимается корпусом редуктора
1.
С плавающей
опорой подшипники червяка устанавливают при межосевом расстоянии червячной
передачи больше

Рис.8. Установка червяка в опорах; опора 2 – плавающая
В опоре 2 устанавливают один радиальный подшипник,
который крепится на червяке неподвижно (посадка с натягом), а в корпусе
устанавливается с зазором и может перемещаться в осевом направлении на величину
удлинения (укорочения) вала. Это перемещение «плавание», и предохраняет
подшипники в опоре 1 от заклинивания.
Регулирование червячного зацепления состоит в том, чтобы установить
червячное колесо симметрично относительно вертикальной оси червяка. Это
достигают путем перемещения червячного колеса
6 с валом 5
(рисунок 5), в осевом направлении за счет подбора и распределения тонких
металлических регулировочных прокладок
24.
На рисунке 9,а и
9,в показано
неправильно отрегулированное червячное зацепление, что можно понять по различной толщине прокладок
и
, по смещенным
пятнам контакта в червячном зацеплении и по смещению плоскости симметрии В – В червячного колеса относительно оси
червяка. Червячное зацепление будет считаться правильно отрегулированным, если
при прокручивании червяка с нанесенной на его витки гуашью, на рабочих поверхностях
зубьев червячного колеса останутся пятна гуаши, симметричные относительно
плоскости симметрии В – В (рисунок 9, б).
Следует
отметить, что при неправильной регулировке червячного зацепления зубья
червячного колеса будут изнашиваться неравномерно и в результате это приведет к
значительному уменьшению срока службы червячного редуктора.

Рис.9. Регулирование червячного зацепления
2.7.
Размеры червячного редуктора
Червячный одноступенчатый редуктор характеризуется
следующими размерами:
- Габаритные размеры: длина L, ширина B, высота
H.
- Размеры присоединительных
поверхностей: расстояние от осей быстроходного hб и
тихоходного hт валов до базовой опорной поверхности; длины Lб и Lт выступающих
концов соответственно быстроходного и тихоходного валов; диаметр d0 и
координаты C1 и C2 между осями отверстий для крепления редуктора к раме
или плите; размеры базовых опорных плоскостей β1 и β2.
- Основные расчетные размеры: ширина червячного колеса
b2; длина
нарезанной части червяка b1; наружный диаметр червячного колеса dам2.
3.
Описание объекта исследования, приборов и инструментов
Объектами исследования изучения являются червячные
редукторы с горизонтальным расположением червяка сверху или снизу относительно
червячного колеса.
В редукторах должна быть вырезана часть корпуса так,
чтобы обеспечить доступность нанесения гуаши на витки червяка и видимость пятен
гуаши, оставшихся на зубьях червячного колеса после взаимодействия их с витками
червяка.
Для выполнения разборки и сборки редукторов,
необходимо иметь, следующие инструменты и принадлежности: отвертку ручную, ключ
торцовый изогнутый, съемник специальный для съема с вала кольца пружинного, щуп
№ 4, микрометр МКО
4.
Методика выполнения исследований, и обработка результатов
4.1. Основные правила по технике безопасности
- При отвинчивании винтов, крепящих крышки
подшипников, и болтов, стягивающих части корпуса, редуктор не должен
перемещаться по столу.
- Перед измерением червяка и червячного колеса их
сборочные единицы должны укладываться на специальные подставки.
4.2.
Разборка и сборка редуктора (рисунок 5)
Рукой или ключом
гаечным выверните отдушину 20 маслоуказателем
19 и выньте их из корпуса редуктора.
При помощи отвертки открутите винты и снимите кожух
17 крыльчатки 16.
Отверткой ослабьте
винт 15
(3… 5 оборотов), крепящий на червяке крыльчатку 16, и снимите ее вместе с винтом.
Ключом торцовым изогнутым отверните болты 3, крепящие
крышку корпуса 2, и снимите ее. Если
крышка находится внизу и является дном корпуса редуктора, то редуктор поверните
на 1800. Один из студентов должен крепко удерживать его в перевернутом
положении, а другой – отвернуть болты и снять крышку. После этого редуктор
снова поставьте на лапы 22.
Специальным съемником снимите с вала 5 пружинное кольцо 18 и выньте вал из ступицы червячного колеса 6.
Ключом торцовым
изогнутым отверните болты 12, крепящие стаканы 10. С помощью отвертки,
вставляя ее в зазоры между фланцами стаканов и корпусом редуктора, выньте
стаканы из корпуса редуктора. Внутренние кольца подшипников 8 остаются
на ступице червячного колеса.
Через проем в корпусе редуктора выньте червячное колесо. Если проем находится внизу, то осторожно
поднимайте редуктор вверх, при этом червячное колесо выпадет из корпуса
редуктора на стол. Соблюдайте осторожность при выполнении этой операции.
Поставьте редуктор лапами на стол.
Ключом торцовым изогнутым отверните болты 11,
крепящие крышки подшипников 9, выньте их
и вал-червяк 4 с подшипниками 7 из корпуса редуктора.
Подшипники с червяка не снимайте.
Редуктор разобран, лапы остались присоединенными к
корпусу редуктора. Детали разложены в порядке отсоединения их. Это облегчит
сборку редуктора.
Сборка редуктора
выполняется в обратной последовательности.
4.3.
Регулирование подшипников
Регулирование радиально – упорных подшипников, насаженных на червяк, выполняют
следующим образом (рисунок 5).
Установите крышки
9 подшипников червяка без прокладок 23 и закрепите их двумя болтами по
диагонали. Можно прижать одну из крышек
рукой. При этом образуется зазор между корпусом редуктора и фланцем крышки,
равный толщине комплекта прокладок
2δ. Измерьте этот зазор щупом.
Подсчитайте величину зазора по сумме лепестков щупа,
вошедших в указанный выше зазор. Приплюсуйте к этому зазору величину осевой
игры
, которая для подшипников с внутренним диаметром 20…
= 0,05…0,1 мм. Наберите комплект регулировочных
кольцевых прокладок 23 по толщине равной сумме
. Толщину комплекта прокладок измеряйте микрометром.
Разделите набранный комплект прокладок примерно на две равные части, установите их на крышки
подшипников, поставьте крышки с прокладками в гнезда подшипников и закрепите
болтами 11 с корпусом редуктора.
Повращайте рукой червяк. Если он свободно вращается, то можно считать, что сборка выполнена
правильно.
Определите, находится ли осевая игра в рекомендуемых
пределах.
Измерьте величину осевой игры. Делается это так. Сместите рукой червяк в осевом направлении в
сторону, где он не выходит из редуктора. Возьмите штатив с укрепленным на нем
индикатором. Измерительный конец наконечника
индикатора поставьте к выступающему торцу червяка. Поворотом шкалы индикатора
совместите стрелку с нулем. Сместите червяк
(в обратном направлении) в сторону измерительного наконечника индикатора.
По отклонению стрелки определите осевую игру. При правильно отрегулированных
подшипниках, она должна находиться в пределах
= 0,5…
Подшипники 8,
установленные на валу червячного колеса, регулируют так же.
4.4. Регулирование червячного зацепления
При сборке редуктора (рисунок 5), установите на каждый
стакан 10 по неравному количеству прокладок 24
(комплект их подобран при регулировке подшипников и добавлять к нему или
убирать из него прокладки нельзя), поставьте стаканы с прокладками в гнезда и
соедините их болтами 12 с корпусом редуктора.
Повращайте червяк
и через вырез в корпусе редуктора установите, какой боковой поверхностью
витки червяка контактируют с зубьями червячного колеса. На эти поверхности
двух-трех витков червяка кисточкой нанесите тонкий слой гуаши.
Плавно вращайте червяк в том же направлении, какое было принято выше. Через вырез в
корпусе редуктора наблюдайте за появлением на боковой поверхности зубьев
червячного колеса пятен гуаши. Из-за неравномерного намазывания гуаши на витки
червяка первые пятна могут быть искаженными, поэтому следует учитывать пятна
гуаши на втором – третьем зубе и далее. Они должны быть такими как на рисунке 9, а, в.
Выньте стакан с прокладками, сотрите гуашь с витков
червяка и зубьев колеса.
Разделите комплект прокладок на две равные части,
установите их на стаканы, поставьте стаканы в гнезда корпуса редуктора и
проделайте повторно работу по регулировке червячного зацепления (см. выше).
Если следы гуаши будут симметричны относительно зуба червячного колеса (рисунок
9, б), то зацепление отрегулировано
правильно.
Протрите витки червяка и зубья червячного колеса, соберите редуктор.
Если следы контакта будут смещены вправо или влево от
середины зуба (рисунок 9, а, в), то определите, с какой стороны надо
переставить часть прокладок на другую сторону, чтобы отрегулировать зацепление.
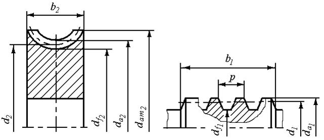
4.5. Произвести измерения:
- определить число заходов червяка Z1. Отметив мелом один зуб на червячном колесе, вращая
его, посчитать число зубьев Z2;
- измерить шаг червяка
р, мм (рисунок 10);
- измерить диаметр вершин червяка
, мм (рисунок 10);
- измерить длину нарезанной части червяка b1 ширину венца колеса b2, мм.
4.6. Произвести расчеты:
- определить передаточное число редуктора
![]()

Рис.10. Геометрические параметры червяка и червячного
колеса
- рассчитать модуль m, мм
![]()
полученную величину m согласовывают
с ближайшим стандартным значением: m= 2; 2,5; 3,15; 4; 6,3; 8; 10;
- определить коэффициент диаметра червяка q
из формулы:
![]()
где d1 –
делительный диаметр червяка, мм,
отсюда коэффициент диаметра червяка q
![]()
полученную величину q согласовывают с
ближайшим стандартным значением: q = 8; 10; 12,5; 16; 20;
- межосевое расстояние
а, мм
![]()
- рассчитать угол подъема винтовой линии червяка, град
![]()
- рассчитать геометрические параметры червяка и
червячного колеса (рисунок 5), мм:
делительные диаметры:
![]()
диаметры окружностей вершин:
![]()
диаметры окружностей впадин:
![]()
- рассчитать наибольший диаметр колеса, мм
![]()
5.
Содержание и оформление отчета
5.1. Титульный лист.
5.2. Цель работы.
5.3. Кинематическая схема редуктора.
5.4. Отразить способ установки подшипников качения на
вал-червяк – (враспор, плавающая опора).
5.5. Результаты
измерений и вычислений: таблицы А1,
А2 (приложение А)
6.
Вопросы для самоконтроля
1. Каково
назначение червячной передачи?
2. Перечислите
достоинства и недостатки червячной передачи.
3. Назовите
материалы для изготовления червяка и червячного колеса.
4. Когда
применяют редуктор с нижним расположением червяка, с верхнем расположением
червяка?
5. Чем вызвано
редкое использование редуктора с вертикальным
расположением вала червячного колеса или червяка?
6. Как
осуществляется смазка редуктора с нижним расположением червяка; с верхним
расположением червяка?
7. Перечислите
детали и узлы из которых состоит червячный редуктор.
8. Как
осуществляется охлаждение редуктора?
9. Для чего
необходимо наличие зазора в подшипниках?
10. Чем вызвана
необходимость регулирования зазора в подшипниках?
11. Дайте
определение понятия «болтанки».
12. Дайте
определение понятия «осевой игры».
13. Как
производится регулирование зазоров подшипников в редукторе?
14. Укажите
способы установки подшипников качения на вал-червяк.
15. Чем вызвана
необходимость установки подшипников качения враспор; с плавающей опорой?
16. В чем
заключается регулирование червячного зацепления?
17. К чему
ведет неправильно отрегулированное червячное зацепление?
18. Опишите
порядок разборки и сборки червячного редуктора.
19. Дайте
определение понятия «передаточное число».
20. Как
определяется модуль червячной передачи?
21 Как определяется
коэффициент диаметра червяка q?
22. Как
определяется угол подъема винтовой линии червяка γ?
23. Как
определяются основные геометрические параметры червяка и червячного колеса?
24. Почему уровень масла при
нижнем расположении червяка должен ограничиться центром тел качения
подшипников?
25. Почему с понижением
жесткости подшипников в опорах и при наличии зазора в подшипниках повышаются
динамические нагрузки в передаче?
26. Чем обусловлено различное
расположение червяка относительно червячного колеса? Начертите схемы расположения
и объясните их особенности.
27. Почему венцы червячных
колес изготавливаются из бронз?
28. Назначение и области применения червячных
редукторов.
29. Достоинства и недостатки червячных передач в
сравнении с зубчатыми.
30. Что такое число витков (заходов) червяка?
31. Что такое модуль зацепления и как его замерить на
червяке?
32. Чему равна полная высота зуба в модулях?
33. Трение в червячных передачах и способы борьбы с
ним.
34. Материалы червяка и червячного колеса.
35. Конструкция червячных редукторов.
36. Регулировка червячного зацепления по пятну
контакта.
37. Регулировка зазоров в подшипниках червячных
редукторов.
38. Способы увеличения теплоотдачи при работе редуктора.
39. В чем заключаются достоинства и недостатки
червячных передач по сравнению с зубчатыми передачами?
40. Как производится регулировка положения червячного
колеса относительно червяка при сборке редуктора?
7.
Список использованных источников
1. Иванов М.Н. Детали машин. Учебник для
машиностроительных специальностей вузов / М.Н. Иванов, В.А. Финогенов.
– М.: Высшая школа, 2002. – 408с.
2. Гузенков П.Г. Детали машин. Учебник для вузов /
П.Г. Гузенков. – М.: Высшая школа, 1986. –395с.
3. Анурьев В.И. Справочник
конструктора-машиностроителя. В 3-х т. Т. 2. - 5-е изд., перераб.
и доп. – М.: Машиностроение, 1980. – 559с.
Приложение
А (обязательное)
Таблица А1. Замеренные параметры червячного редуктора
|
Параметры |
Единица измерения |
Обозначение |
Значение |
|
Число заходов червяка |
шт. |
|
|
|
Число зубьев червячного
колеса |
шт. |
|
|
|
Шаг червяка |
мм |
|
|
|
Диаметр окружности вершин
червяка |
мм |
|
|
|
Длина нарезанной части
червяка |
мм |
|
|
|
Ширина венца колеса |
мм |
|
|
Таблица А2. Рассчитанные параметры червячного редуктора
|
Параметры |
Единица измерения |
Обозначение |
Значение |
|
Передаточное
число редуктора |
|
u |
|
|
Модуль |
мм |
m |
|
|
Коэффициент
диаметра червяка |
|
q |
|
|
Межосевое
расстояние |
мм |
a |
|
|
Угол
подъема винтовой линии червяка |
град |
γ |
|
|
Диаметры делительные |
мм |
|
|
|
Диаметры вершин |
мм |
|
|
|
Диаметры впадин |
мм |
|
|
|
Наибольший диаметр колеса |
мм |
|
|
email: KarimovI@rambler.ru
Адрес: Россия, 450071, г.Уфа, почтовый ящик 21
Теоретическая механика Сопротивление материалов
Строительная механика Детали машин Теория машин и механизмов