Лабораторная
работа
Изучение конструкций подшипников качения
1. Цель работы
Изучить основные типы подшипников качения и
ознакомиться с их условными обозначениями. Научиться определять типы подшипников
по внешнему виду, по маркировке и по отдельным деталям. Ознакомиться с материалами,
применяемыми для изготовления подшипников качения, и с основными
конструктивными особенностями исполнения
различных типов подшипников.
2. Теоретические положения
2.1. Общие сведения
Подшипники качения предназначены поддерживать
вращающиеся валы и оси в пространстве, обеспечивая им возможность свободного
вращения или качания, и воспринимать действующие на них нагрузки. Кроме осей и
валов подшипники качения могут поддерживать детали, вращающиеся вокруг
неподвижных осей, например, блоки, шкивы и др.
Подшипники качения стандартизованы и выпускаются
промышленностью в массовых количествах в большом диапазоне типоразмеров с
наружным диаметром от 1 мм до 5м и с диаметром шариков от 0,35 мм
до 203 мм, и массой от долей грамма до нескольких тонн.
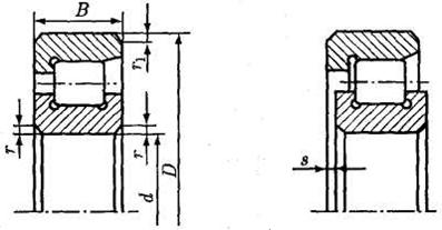
Подшипники качения (см. рисунок 1) в большинстве
случаев состоят из наружного кольца 1, внутреннего кольца 2, тел качения 3
(шариков или роликов), сепаратора 4. В некоторых подшипниках качения для
уменьшения их габаритов одно или оба кольца отсутствуют, а в некоторых
отсутствует сепаратор.

Рис.1. Шариковый радиальный подшипник
По сравнению с подшипниками скольжения, подшипники
качения имеют следующие достоинства: меньшие моменты сил трения; малая
зависимость моментов сил трения от скорости; небольшой нагрев; незначительный
расход смазки; малую ширину; значительно меньший расход цветных металлов; менее
высокие требования к материалу и к термической обработке валов; значительно
меньшие пусковые моменты.
К недостаткам подшипников качения относятся:
чувствительность к ударным нагрузкам; относительно большие радиальные размеры;
высокая стоимость при производстве уникальных подшипников; высокие контактные напряжения
и поэтому ограниченный срок службы; меньшая способность демпфировать колебания.
2.2. Классификация подшипников качения
Подшипники качения классифицируют по следующим
основным признакам.
По форме тел
качения: шариковые и роликовые,
причём последние могут быть цилиндрическими, коническими, игольчатыми,
бочкообразными и витыми.

Рис.2. Форма тел качения подшипников
По направлению
воспринимаемой нагрузки: радиальные,
радиально-упорные, упорно-радиальные и упорные.
По числу
рядов тел качения: однорядные,
двухрядные, трёхрядные, четырёхрядные и многорядные.
Таблица 1. Основные типы радиальных и
радиально-упорных подшипников

По
способности самоустанавливаться:
несамоустанавливающиеся и самоустанавливающиеся (сферические, допускающие угол
перекоса внутреннего и наружного колец до
2-30 ).
По габаритным
размерам: на серии (для каждого подшипника при одном и том же
внутреннем диаметре имеются различные серии, отличающиеся несущей способностью
подшипника, т. е. размерами колец и тел качения). В зависимости от размера
наружного диаметра подшипника, серии подразделяются на сверхлёгкие, лёгкие, средние
и тяжёлые. В зависимости от ширины
подшипника серии бывают особо узкие,
узкие, нормальные, широкие и особо широкие.
Таблица 2. Основные типы упорных и упорно-радиальных подшипников

2.3. Основные типы подшипников качения
2.3.1. Шариковые подшипники
2.3.1.1. Радиальные, однорядные шариковые подшипники
(см. рисунок 3, а) в основном предназначены для восприятия радиальных
нагрузок, но могут воспринимать и осевую нагрузку в обе стороны до 70%
от неиспользованной допустимой радиальной нагрузки, поэтому эти подшипники можно
применять для фиксации вала или корпуса в осевом направлении. Допускают перекос
осей колец подшипника на угол не более 0,25°.
2.3.1.2. Радиальные, двухрядные, сферические шариковые
подшипники (см. рисунок 3, б) предназначены для восприятия радиальных
нагрузок в условиях возможных значительных перекосов колец подшипников (до 2 -
3°). Подшипники допускают осевую фиксацию вала в обе стороны с нагрузкой до 20%
от неиспользованной допустимой радиальной нагрузки. Дорожку качения наружного
кольца выполняют по сферической поверхности описанной из центра подшипника, что
обеспечивает подшипнику самоустанавливаемость, поэтому их можно применять в
узлах машин с отдельно стоящими корпусами при несовпадении осей посадочных мест
под подшипники или в качестве опор длинных, прогибающихся от действия нагрузок,
валов.
2.3.1.3. Радиально-упорные шариковые подшипники (см.
рисунок 3, в) предназначены для восприятия совместно действующих
радиальных и односторонних осевых нагрузок. Могут воспринимать чисто осевую
нагрузку.

Рис.3. Шариковые подшипники
Один из бортов наружного или внутреннего кольца срезан
почти полностью, что позволяет закладывать в подшипники на 45% больше шариков
того же диаметра, чем в обычные радиальные подшипники, что способствует
повышению их грузоподъемности.
Подшипники по конструктивным особенностям выполняют с
расчетными углами контакта шариков с кольцами β = 12° (тип 36000), β=
26° (тип 46000) и β= 36° (тип 66000). Радиально-упорные подшипники
применяют в опорах жестких коротких валов и в опорах, требующих регулировки
внутреннего зазора в подшипниках.
Подшипники, у которых угол контакта β= 45°
называются упорно-радиальными.
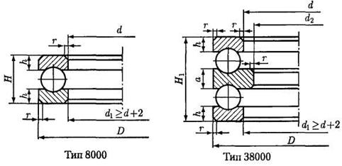
2.3.1.4. Упорные шариковые подшипники (см. рисунок 3, г)
предназначены для восприятия односторонних осевых нагрузок. На горизонтальных
валах они работают хуже, чем на вертикальных валах и требуют хорошей регулировки
или поджатия колец пружинами. Упорные подшипники часто устанавливают в одном
корпусе в паре с радиальными подшипниками.
2.3.2. Роликовые подшипники
2.3.2.1. Радиальные роликовые подшипники с короткими
цилиндрическими роликами (см. рисунок 4, а) предназначены для восприятия
больших радиальных нагрузок. Их грузоподъемность на 70% выше
грузоподъемности однорядовых радиальных шариковых подшипников одинакового
типоразмера. Подшипники легко разбираются в осевом направлении, допускают некоторое
осевое взаимное смещение колец, что облегчает монтаж и демонтаж подшипниковых
узлов и позволяет применять их в плавающих опорах, как правило, жестких
коротких валов.
2.3.2.2. Радиальные двухрядные подшипники с короткими
цилиндрическими роликами (см. рисунок 4, б) применяют для опор
быстроходных коротких валов, требующих точного вращения. Ролики расположены в
шахматном порядке. Сепаратор – массивный бронзовый.

Рис.4. Роликовые подшипники
2.3.2.3. Радиальные двухрядные сферические роликовые
подшипники (см. рисунок 4, в) предназначены для восприятия особо больших
радиальных нагрузок при возможности значительных (2 - 3°) перекосов колец, а
также двухстороннюю осевую нагрузку до 25% неиспользованной допустимой
радиальной нагрузки. Могут работать и при только осевом усилии. Дорожка качения
наружного кольца выполнена по сферической поверхности. Ролики имеют форму
бочки. Подшипники этого типа применяют в опорах длинных двух и многоопорных
валов, подверженных значительным прогибам под действием внешних нагрузок, а
также в узлах машин с отдельно стоящими подшипниковыми корпусами.
2.3.2.4. Конические роликовые подшипники (см. рисунок
4, г) являются радиально-упорными и предназначены для восприятия
значительных совместно действующих радиальных и односторонних осевых нагрузок.
Радиальная грузоподъемность в среднем на 90%
выше, чем у радиальных однорядных подшипников одинакового типоразмера. Эти
подшипники имеют широкое применение в машиностроении. Отличаются удобством
сборки и разборки, регулировки зазоров и компенсации износов. Угол контакта
(половина угла при вершине конуса дорожки качения наружного кольца) β = (9
- 17°) (тип 7000), β = (25 - 29°)
(тип 27000). Конические роликовые подшипники применяют в узлах машин с
жесткими, двух опорными, короткими валами.
2.4. Условные обозначения подшипников качения
Условными обозначениями характеризуются внутренний
диаметр подшипника (или втулки), его серия, тип, конструктивные особенности.
Все перечисленные параметры обозначаются по ГОСТ 3189-75 цифрами, значения которых
определяются занимаемыми ими местами в условном обозначении подшипников,
согласно данных, приведенных в таблице 3.
2.4.1. Обозначение внутреннего диаметра
подшипников
Внутренний
диаметр подшипника (или диаметр вала, если он 20
d
200
мм) в условном обозначении подшипника указывается двумя первыми цифрами
справа, являющимися частным от деления диаметра отверстия на пять. Для
подшипников, у которых 10 ≤ d ≤ 17 мм диаметр обозначается в
соответствии с таблицей 4.
Таблица 3. Значение цифр в условном обозначении
подшипников
|
Места цифр в условном обозначении (считая, справа) |
Значение цифр |
|
1-я и 2-я |
Диаметр вала (внутренний диаметр подшипника d или
втулки) |
|
3-я и 7-я |
Серия по наружному диаметру и ширине соответственно |
|
4-я |
Тип подшипника |
|
5-я и 6-я |
Конструктивные особенности |
Таблица 4. Обозначение диаметра отверстия подшипника
|
Внутренний диаметр, мм |
Условные обозначения Внутреннего диаметра |
|
10 |
00 |
|
12 |
01 |
|
15 |
02 |
|
17 |
03 |
|
от 20 до 200 |
Частное от деления d на 5 |
2.4.2. Обозначение серий подшипников
Третья и седьмая цифры справа указывают серию
подшипника всех диаметров (кроме малых подшипников, у которых d = 9мм)
согласно данным таблицы 5.
Таблица 5. Обозначение серий подшипников
|
Серия |
Характеристика по ширине |
Обозначение серии |
Примеры обозначения серии |
|
|
3-я
цифра справа |
7-я
цифра справа |
|||
|
мелкогабаритные |
разные
|
0 |
0 |
1000 |
|
ненормальные диаметры |
неопределенные |
9 |
0 |
900 |
|
неопределенные |
неопределенные |
8 7 |
0 0 |
800 700 |
|
тяжелые |
широкая узкая |
4 4 |
2 0 |
2086400 400 |
|
средние |
особоширокая широкая нормальная узкая |
3 6 3 3 |
3 0 1 0 |
3056300 3600 300 |
|
легкие |
особоширокая широкая нормальная узкая |
2 5 2 2 |
3 0 1 0 |
3056200 3500 200 |
|
особолегкие |
особоширокая широкая нормальная узкая |
7 1 7 1 7 1 7 1 |
3 4 2 2 1 0 7 7 |
3003700 4854100 2007100 1007700 100 7002700 7000100 |
|
сверхлегкие |
особоширокая широкая нормальная узкая |
9 8 9 8 9 8 9 8 |
4 3 2 2 1 1 7 7 |
4032900 3007800 1000900 1000800 7000900 7000800 |
2.4.3. Обозначение типа подшипников
Тип подшипника указывается в условном обозначении четвертой
цифрой справа, в соответствии с таблицей 6.
Таблица 6. Обозначение типа подшипника в условном
обозначении
|
Четвертая цифра справа |
Тип подшипника |
|
0 |
Радиальный
шариковый |
|
1 |
Радиальный
шариковый сферический |
|
2 |
Радиальный
с короткими цилиндрическими роликами |
|
3 |
Радиальный
роликовый сферический |
|
4 |
Радиальный
роликовый с длинными цилиндрическими
роликами или игольчатый |
|
5 |
Радиальный
роликовый с витыми роликами |
|
6 |
Радиально-упорный
шариковый |
|
7 |
Роликовый
конический |
|
8 |
Упорный
шариковый |
|
9 |
Упорный
роликовый |
2.4.4. Обозначение подшипников по
конструктивным разновидностям
Пятая и шестая цифры
в условном обозначении подшипника определяют его конструктивную разновидность
и состоят из двух цифр от 00 до 99. Конструктивных разновидностей подшипников
очень много и наиболее распространённые из них приведены в ГОСТ 3395-89.
Внимание! Если в обозначении подшипника должна
присутствовать цифра 0 и после неё слева
не требуются дополнительные обозначения (дополнительные цифры), то цифра
0 в обозначении не проставляется.
2.4.5. Примеры расшифровки обозначений
подшипников
|
1000094 |
тип
- радиальный шариковый (цифра 0 на четвёртом месте) внутренний
диаметр 4мм. (цифра 4), сверхлёгкой
серии (цифра 9), конструктивная
разновидность 00, серия
ширин 1. |
|
25 |
тип
- радиальный шариковый (цифра 0 на четвёртом месте) внутренний
диаметр 5 мм. (цифра 5) , лёгкой
серии (цифра 2), конструктивная
разновидность 00, |
|
2205 12305 42305 32305 92305 292305 |
тип
- радиальные роликовые с короткими цилиндрическими роликами, (2) внутренний
диаметр 25мм. (05*5=25), средней
серии, (3) конструктивная
разновидность: 00 - без бортов на наружном кольце, 01 - с однобортовым
наружным кольцом, 03 - с двухбортовым наружным кольцом, 04
- с однобортовым внутренним кольцом
и двухбортовым наружным кольцом, 09 -
с двухбортовым наружным кольцом и плоской опорной шайбой на внутреннем
кольце, 29 - без внутреннего кольца. |
|
74103 |
тип
- радиальный роликовый игольчатый, (4), внутренний
диаметр 17мм, (03), особо
лёгкой серии, (1), конструктивная
особенность (07) - без сепаратора и с
отверстием под смазку на наружном кольце. |
|
602/32 |
тип
- шариковый радиальный, (0), внутренний
диаметр 32мм, (32), лёгкой
серии, (2), конструктивная
разновидность (06) - с одной защитной
шайбой. |
2.4.6. Дополнительные знаки условного
обозначения
Слева через
черту от основного обозначения подшипников, которое включает в себя не более семи
цифр, указываются требования к точности изготовления подшипников.
Справа через черту от основного обозначения
подшипников указываются параметры, определяющие специальные требования к
материалу деталей подшипников, к термообработке деталей, конструктивные
изменения деталей, специальные требования по шероховатости поверхности,
температуре отпуска колец подшипников и требования по шуму при работе.
2.4.7. Обозначение класса точности
подшипников
Установлены следующие классы точности подшипников,
указанные в порядке повышения точности:
0, 6 ,5, 4, 2, Т - для шариковых и роликовых
радиальных и шариковых радиально-упорных подшипников;
0, 6, 5, 4, 2 - для упорных и упорно-радиальных
подшипников;
0, 6X, 6, 5, 4, 2
-для роликовых конических подшипников.
Установлены дополнительные классы точности подшипников
- 8 и 7 ниже класса точности 0 для применения по заказу потребителей в
неответственных узлах.
Классы точности подшипников характеризуются значениями
предельных отклонений размеров, формы и расположения поверхностей подшипников.
В общем машиностроении обычно применяют классы точности 0, 6,
и 5. Следует иметь ввиду, что стоимость одного и того же подшипника класса
точности 0 и класса точности 2 отличается в 10 раз.
В зависимости от наличия требований по уровню вибрации
установлены три категории подшипников - А,
В, С.
К категории А относятся подшипники классов точности
5, 4, 2, Т с одним из дополнительных
требований по повышенным нормам уровня вибрации, волнистости и отклонению от
круглости поверхностей качения, моменту трения, углу контакта, радиальному
биению, осевому биению и их совместному значению.
К категории В относятся подшипники классов
точности 0, 6Х,
6, 5 с одним из дополнительных требований, аналогичных категории
А.
К категории С относятся подшипники классов точности 7,
8, 0, 6, к
которым не предъявляются требования по уровню вибрации, моменту трения и другие
требования по категориям А и В.
Полные требования к точности подшипников приведены в
ГОСТ 520-89.
Класс точности подшипников указывается цифрой,
соответствующей его точности слева от основного условного обозначения через тире. Класс точности
"0" в условном обозначении
опускается.
Пример: подшипник № 6 - 205.
Расшифровка: шарикоподшипник радиальный (четвёртая
цифра слева "0" опущена), диаметром 25 мм (две последние цифры
"05"), средней серии (третья цифра слева "2"), класс
точности 6.
2.4.8. Обозначение радиального зазора и
момента трения подшипников
Обозначения: 1, 2, 3, и т.д. расположенные слева от
обозначения класса точности подшипника характеризуют различные величины (ряды)
радиальных зазоров. Зазор по нормальному ряду обозначается цифрой 0.
Обозначения: 1, 2, 3,
и т.д. расположенные слева от радиального зазора, характеризуют
различные величины (ряды) моментов трения.
У радиальных шарико - и роликоподшипников с радиальным
зазором по нормальному ряду и у радиально-упорных шарикоподшипников в
дополнительном обозначении между классами точности и обозначением момента
трения проставляется буква "М".
Обозначения категорий подшипника проставляют:
- слева от обозначения ряда момента, например, А1М5 - 205;
- перед обозначением ряда зазоров при отсутствии требований по моменту трения,
например, В25 - 205;
- перед классом точности при отсутствии требований по моменту трения
и нормальной группе зазора, например, А5
- 205.
2.4.9. Расшифровка дополнительных знаков справа от основного
обозначения
Дополнительные знаки справа от основного обозначения
располагаются в следующем порядке:
обозначение материала деталей подшипника (табл. 7);
конструктивные изменения деталей подшипника К,
К1, К2, …..;
специальные требования по шероховатости, покрытиям и
т. п., У, У1, У2,…;
температура отпуска колец подшипника Т1,
Т2, ….;
разновидности смазочных материалов для подшипников
закрытого типа С1, С2,..;
требования по шуму
Ш, Ш1, Ш2, ….
Цифры 1, 2, 3, и т. д. справа от дополнительного
буквенного обозначения Б,Г,Д,Е,К,Р,Л,У,Х,Ш,Э,Ю,Я указывают на каждое
последующее исполнение с каким - либо отличием от предыдущего.
Таблица 7. Обозначение материала деталей подшипников
|
Дополнительные обозначения |
Отличительные признаки |
|
Б |
Сепаратор из безоловянистой
бронзы |
|
Г |
Сепаратор из чёрных
металлов |
|
Д |
Сепаратор из алюминиевых
сплавов |
|
Е |
Сепаратор из пластических материалов |
|
Л |
Сепаратор из латуни |
|
Р |
Детали из теплостойкой
стали |
|
Х |
Детали из цементируемой
стали |
|
Ю |
Часть деталей или все
детали из нержавеющей стали |
|
Я |
Кольца и тела качения из
редко применяемых материалов (пластмасса, углепластик, стекло,
керамика,…) |
2.5. Материал деталей подшипников
Кольца и тела качения подшипников изготавливают из
шарикоподшипниковой стали марок
ШХ25СГ, ШХ15, ШХ20СГ, ШХ20
и др.
Кольца, ролики или шарики при температурах работы до
1000С должны быть термически обработаны до твёрдости HRC
58-66 в зависимости от марки стали.
Сепараторы изготавливают из листовой стали, латуни,
бронзы, дюралюминия, текстолита, полиамидов с различными уплотнителями.
Пластмассовые сепараторы уменьшают величину инерционных нагрузок в подшипниках,
дают возможность использовать упругие свойства пластмасс при монтаже тел
качения.
Сепараторы, изготовленные из самосмазывающегося
материала, служат источником твёрдой смазки. В качестве самосмазывающегося
материала часто применяется аман. Его можно использовать для сепараторов
обычных и высокоскоростных подшипников, работающих без жидкой смазки при
нормальных и повышенных температурах.
Сепараторы из амана должны быть более массивны, чем
обычные. Для увеличения ударной прочности у этих сепараторов по наружному
диаметру устанавливается тонкий, менее 1мм., металлический обод.
Для сепараторов, работающих в вакууме и в невесомости,
пригоден аман и различные композиции, например фторопласт - 4 с бронзой,
эпоксидная смола в сочетании с двухсернистым молибденом. Механизм действия
самосмазывающихся сепараторов основан на молекулярном переносе их материала не поверхность тел
качения.
2.6. Подбор и расчет подшипников качения
2.6.1. Общие положения методики подбора
и расчета подшипников качения
Для выбора подшипников качения и определения их
рабочего ресурса при проектировании и расчете опорных узлов редукторных валов
необходимо учитывать эксплуатационные условия, характер и величину нагрузок, воспринимаемых
опорами.
На основе анализа нагрузок конструктор намечает тип
подшипника: радиальный,
радиально-упорный, упорный (см. таблицу 1) и его номер в соответствии с
диаметром цапфы. Выбранный подшипник должен обладать необходимой нормативной
долговечностью, согласованной с ресурсом работы данной машины или механизма.
Например, для зубчатых редукторов установлен срок службы 36000 час, для
черевячных 20000 час. Для подшипников таких редукторов минимальный
ресурс рекомендуется соответственно 10000 и 5000 час, желательно
предусматривать его таким же, как и у редукторов.
Таблица 8. Рекомендации по выбору подшипника
|
Отношение Fa/Fr |
Условное обозначение и угол контакта |
Осевая составляющая радиальной нагрузки S в долях
от Fr |
Примечание |
|
0 - 0,35 |
Радиальные однорядные шариковые подшипники |
--- |
В случае возможности
использования легкой серии получаются оптимальные результаты по предельной
быстроходности |
|
0,36 - 0,70 |
36000, β=12° |
0,3Fr |
Допустимо использование
особо легкой и сверхлегкой серии |
|
0,71 - 1,00 |
46000, β=26° |
0,6 Fr |
При весьма высоких
скоростях легкая серия предпочтительней |
|
1,01 - 1,50 |
66000, β=36° |
0,9 Fr |
Для высоких скоростей
подшипник с данным углом контакта не пригоден |
|
1,51… |
Рекомендуется
применять конические радиально-упорные подшипники или спаренные
радиально-упорные шариковые |
||
По ГОСТ 18855-82 расчетный ресурс подшипников качения
определяется в миллионах оборотов работы по формулам:
для шариковых подшипников
![]()
для роликовых подшипников
![]()
Расчетная долговечность в часах
![]()
где C –
динамическая грузоподъемность, указанная в каталогах на подшипники, Н;
P
– эквивалентная динамическая нагрузка, Н, рассчитываемая по формуле:
![]()
где Fr – радиальная нагрузка, Н;
Fa –
осевая нагрузка, Н;
V –
коэффициент вращения (если вращается
внутреннее кольцо,
то V =1,
если же вращается наружное кольцо, то V=1,2);
kб– коэффициент безопасности (см. таблицу 8);
kT –
температурный коэффициент (см. таблицу 10);
X, Y – коэффициент радиальной и осевой нагрузок (см.
таблицы 11, 12).
Однако для определения их конкретных значений
необходимо предварительно найти параметр осевого нагружения e, указанный
в тех же таблицах. Этот параметр зависит от отношения
, где
– статическая грузоподъемность, Н, указываемая
в каталоге на подшипники. Далее определяют величину отношения
, сопоставляют ее с найденным ранее параметром e и в
зависимости от этого находят конкретные значения X и Y.
Таблица 9. Значения коэффициента безопасности kб
|
Характер нагрузки |
kб |
Примеры |
|
Спокойная
без толчков |
1,0 |
Ролики
ленточных транспортеров |
|
Легкие
толчки. Кратковременные перегрузки до 125%, от
расчетной нагрузки |
1,1
- 1,2 |
Прецизионные
зубчатые передачи, блоки, легкие вентиляторы, воздуходувки |
|
Умеренные
толчки и вибрации. Кратковременные перегрузки до
150% от расчетной нагрузки |
1,3
- 1,5 |
Редукторы
всех конструкций |
|
То
же в условиях повышенной надежности |
1,6
- 1,8 |
Центрифуги
и сепараторы, энергетическое оборудование |
|
Значительные
толчки и вибрации. Кратковременные перегрузки
до 200% от расчетной нагрузки |
1,9
- 2,4 |
Валики
среднесортных прокатных станов; дробилки, ковочные машины |
|
С
сильными ударами и кратковременными перегрузками, достигающими 300% от
расчетной нагрузки |
2,5
- 3,0 |
Тяжелые
ковочные машины; валки крупносортных прокатных станов; лесопильные рамы |
Таблица 10. Значения температурного коэффициента kT
|
Рабочая
температура подшипника, °С |
до
100 |
125 |
150 |
175 |
200 |
225 |
250 |
300 |
350 |
|
kT |
1,00 |
1,05 |
1,10 |
1,15 |
1,25 |
1,35 |
1,40 |
1,60 |
2,00 |
Таблица 11.
Коэффициенты X и Y для
радиальных и радиально-упорных шариковых подшипников (по ГОСТ 18855-82)![]()
|
Угол контакта β° |
|
|
Однорядные |
Двухрядные |
e |
||||
|
|
|
|
|||||||
|
X |
Y |
X |
Y |
X |
Y |
||||
|
0 |
0,014 0,028 0,056 0,110 0,170 0,280 0,120 0,560 |
- |
0,56 |
2,30 1,99 1,71 1,45 1,31 1,15 1,04 1,00 |
1 |
0 |
0,56 |
2,30 1,99 1,71 1,45 1,31 1,15 1,04 1,00 |
0,19 0,22 0,26 0,30 0,34 0,38 0,42 0,44 |
|
5 |
- |
0,014 0,028 0,056 0,085 0,110 0,170 0,280 0,420 0,560 |
0,56 |
2,30 1,99 1,71 0,55 1,45 1,31 1,15 1,04 1,00 |
1 |
2,78 2,40 2,07 1,87 1,75 1,56 1,39 1,26 1,21 |
0,78 |
3,74 3,23 2,78 2,52 2,36 2,13 1,78 1,69 1,630 |
0,23 0,26 0,30 0,34 0,36 0,40 0,45 0,50 0,52 |
|
10 |
- |
0,014 0,029 0,057 0,086 0,110 0,170 0,290 0,430 0,570 |
0,46 |
1,88 1,71 1,52 1,41 1,34 1,23 1,10 1,01 1,00 |
1 |
2,18 1,98 1,76 1,63 1,55 1,42 1,27 1,17 1,10 |
0,75 |
3,06 2,78 2,47 2,29 2,18 2,00 1,79 1,64 1,63 |
0,29 0,32 0,36 0,38 0,40 0,44 0,49 0,54 0,54 |
|
12 |
- |
0,014 0,029 0,057 0,086 0,110 0,170 0,290 0,430 0,570 |
0,45 |
1,81 1,62 1,46 1,34 1,22 1,13 1,04 1,01 1,00 |
1 |
2,08 1,84 1,69 1,52 1,39 1,30 1,20 1,16 1,16 |
0,74 |
2,94 2,63 2,37 2,18 1,98 1,84 1,69 1,64 1,62 |
0,30 0,34 0,37 0,41 0,45 0,48 0,52 0,54 0,54 |
|
15 |
- |
0,015 0,029 0,058 0,087 0,120 0,170 0,290 0,440 0,580 |
0,44 |
1,47 1,40 1,30 1,23 1,19 1,12 1,02 1,00 1,00 |
1 |
1,65 1,57 1,46 1,38 1,34 1,26 1,14 1,12 1,12 |
0,72 |
2,39 2,28 2,11 2,00 1,93 1,82 1,66 1,63 1,63 |
0,38 0,40 0,43 0,46 0,47 0,50 0,55 0,56 0,56 |
|
18,19,20 24,25,26 30 35,36 40 |
- |
- |
0,43 0,41 0,39 0,37 0,35 |
1,00 0,87 0,76 0,66 0,57 |
1 1 1 1 1 |
1,09 0,92 0,78 0,66 0,55 |
0,70 0,67 0,63 0,60 0,57 |
1,63 1,41 1,24 1,07 0,93 |
0,57 0,68 0,80 0,95 1,14 |
|
Подшипники сферические |
4,40 |
|
1 |
|
0,65 |
|
|
||
Примечание:
1)
Для однорядных подшипников при
применяется
X=1 и
Y= 0;
2)
Коэффициенты Y, e для промежуточных величин отношений
и
определяются
интерполяцией,
где i - количество рядов тел качения.
3) e –
параметр осевого нагружения.
Таблица 12. Коэффициенты Х и Y для радиально-упорных
роликовых подшипников (по ГОСТ 18855-82)
|
|
|
e |
||
|
X |
Y |
X |
Y |
|
|
Подшипники однорядные |
||||
|
1 |
0 |
0,40 |
|
|
|
Подшипники двухрядные |
||||
|
1 |
|
0,67 |
|
|
2.7. Примеры расчета подшипников качения
2.7.1. Примеры расчета радиальных
подшипников
Пример 1. Подобрать подшипник качения для вала редуктора с
цапфой d= 40 мм. Проверить долговечность при частоте
вращения n = 1000 об/мин;
радиальная нагрузка Fr= 2500 Н, осевая нагрузка Fa=
0.
Решение: в данных условиях подходит подшипник радиальный
однорядный шариковый (см. таблицу 5). Проверим подшипник для посадочного
диаметра d = 40 мм., начиная с легкой серии - № 208, у которого
статическая грузоподъемность (см. каталог):
=
18100 Н;
динамическая грузоподъемность
С = 25600 Н.
Примем по таблицам
9 и 10 –
= 1,4;
= 1,0.
Так как
= 0 и
= 0, то из таблицы 11, примечание 1) следует:
Х=1, Y=0.
Эквивалентная динамическая нагрузка:
![]()
Расчетный ресурс в миллионах оборотов:
![]()
Расчетная долговечность в часах:
![]()
Так как долговечность оказалась меньше минимальной
нормы (10000 час.), то проверим подшипник средней серии № 308, у которого
= 22700 Н; C =
31900 Н.![]()
![]()
![]()
что допустимо.
Пример 2.
Подобрать подшипник качения при Fa=1000 Н, если остальные данные как в примере 1.
Решение: Наметим как и выше, подшипник №308. Отношение
![]()
Из таблицы 11 находим интерполированием е
= 0,24.
Так как
![]()
то имеем Х =
0,56; Y = 1,85.
Эквивалентная динамическая нагрузка:
![]()
Расчетный ресурс в миллионах оборотов:
![]()
Расчетная долговечность в часах:
![]()
Долговечность недостаточна.
Проверим подшипник тяжелой серии № 408, у которого
Сo =
37000, Н, С = 5030, Н.
![]()
е = 0,22
![]()
следовательно: Х = 0,56; Y = 1,99;
![]()
![]()
Расчетная долговечность в часах:
![]()
Такая долговечность приемлема.
2.7.2. Примеры расчета радиально-упорных
подшипников
При расчете радиально-упорных подшипников необходимо
определять осевые нагрузки, воспринимаемые опорами и учитывать собственные
осевые составляющие S реакций в подшипнике, возникающие от радиальной нагрузки.
В случае установки шариковых радиально-упорных подшипников S = еFr,
а в случае роликовых – S = 0,83еFr.
Общие осевые нагрузки находят в зависимости от
расположения , как это указано в таблице 13.
Точка приложения реакции опоры находится на
пересечении оси вала с нормалью к середине линии контакта. Эта точка может быть
определена графически или по расстоянию а от торца наружного кольца:
Для однорядных шариковых подшипников
![]()
Для роликовых конических
![]()
где d и D –
внутренний и наружный диаметры подшипника, мм (см. рисунок 1);
В – ширина
подшипника, мм;
Т –
расстояние между противоположными торцами колец роликоподшипника, мм
(см. рисунок 3, г).
Таблица 13. Общие осевые нагрузки, воспринимаемые
подшипниками
|
Схема нагружения |
Соотношение сил |
Общие осевые нагрузки |
|
|
S1≥S2 Fа≥0 S1<S2 Fа≥S2-S1 |
Fа1=S1 Fа2=S1+Fа Fа1=S1 Fа2=S1+Fа |
|
|
S1≤S2 Fа < S2 - S1 |
Fа1=S2-Fа Fа2=S2 |
Пример 3.
При расчете первого вала редуктора были определены реакции опор Fr1 =
3600, Н; Fr2 =
1800, Н; осевая нагрузка Fа = 1400, Н; подшипники
установлены по схеме б (см. таблицу 13).
Диаметр цапфы вала d = 50; мм; частота вращения вала n = 1400 об/мин.
Решение: Осевая нагрузка действует на вторую опору, поэтому
определяем отношение Fа/Fr
для этой опоры:
![]()
На основе рекомендаций, приведенных в таблице 5, намечаем
тип подшипника – шариковый радиально-упорных с углом контакта β = 26°.
Первоначально принимаем подшипник легкой серии
№ 46210.
С = 31800 Н; Со = 25400 Н (см. каталог)
Из таблицы 11 имеем: е = 0,68
Так как Fа/Fr = 0,78 > е, то
Х =
0,41, Y = 0,87 (см. таблицу 11)
Осевая составляющая S1 = е∙Fr1
= 0,68∙3600 = 2450 (Н).
Общая осевая нагрузка на вторую опору
Fа2 = S1
+ Fа = 2450 + 1400 = 3850 (Н)
Эквивалентная динамическая нагрузка второй опоры:
![]()
Расчетный ресурс в миллионах оборотов:
![]()
Расчетная долговечность в часах:
![]()
Долговечность недостаточна.
Рассмотрим вариант с шариковым радиально-упорным
подшипником средней серии № 46310, с углом контакта 26°, у которого
Со =
44800 Н; С = 56300 Н.
Все параметры и коэффициенты остаются без изменения.
Поэтому сразу выделим:
Ресурс: L = (С/P)3
= (56300/5700)3 = 970 (млн.об.)
Долговечность: Lh = L .106/60n = 970.106/60
.1400 = 11600 (час.)
Такая расчетная долговечность подшипника для зубчатого
редуктора приемлема (Lh min
= 10000 час.).
3.
Содержание работы
- Расшифровка условного обозначения подшипников
качения,
- определение области их применения,
- установление основных геометрических параметров и
вычерчивание подшипников качения с указанием всех размеров,
- подбор подшипников качения и выполнение проверочного
расчета на долговечность.
4.
Оборудование и инструмент
1) Набор
подшипников качения
2)
Штангенциркуль
3) Каталог
подшипников качения
4) Плакаты
5.
Порядок выполнения работы
Подгруппа (2-3 студента) получает подшипники и мерительный
инструмент.
1) Изучить теоретический материал.
2) Рассмотреть комплект подшипников качения.
3) Записать маркировку (условное обозначение)
подшипников и, пользуясь настоящим пособием и технической литературой,
выполнить расшифровку условных обозначений.
4) Установить назначение каждого подшипника качения и
область его применения.
5) Штангенциркулем измерить все геометрические
параметры подшипников.
6) Сравнить внутренние диаметры подшипников,
полученные из условного обозначения и измеренные.
7) Каждый студент должен выполнить эскизы трёх
различных подшипников с простановкой основных размеров: d - внутренний диаметр, D - наружный диаметр, b - ширина, r и r1 - радиусы скругления
внутреннего и наружного колец.
8) Определить ориентировочно материал деталей
подшипников.
8) Подобрать подшипник и рассчитать его долговечность
исходя из исходных данных, приведенных в таблице 14.
9) Оформить отчет о выполненной работе.
В процессе выполнения
работы студенты обмениваются подшипниками с целью более широкого ознакомления
с различными их типами и изучения более широкого спектра конструктивных отличий
в подшипниках. Желательно ознакомиться
со всеми типами подшипников:
шариковыми, роликовыми, игольчатыми, коническими, сферическими,
радиальными, упорными,….
Студент оформляет отчёт на листах стандартного формата (210х290 мм) с
указанием на титульном листе наименования работы, наименования кафедры, №
группы и фамилии исполнителя.
В отчёте приводятся эскизы подшипников с основными
габаритными размерами, даётся расшифровка цифровых и буквенных обозначений.
Указывается материал деталей подшипников, описывается краткая характеристика
подшипников по назначению и применению.
Таблица 14. Исходные данные для подбора и расчета
подшипника
|
|
Fr1, Н |
Fr2, Н |
Fа,
Н |
n, об/мин |
d, мм |
Вращается кольцо |
Характер нагрузки |
Рабочая температура подшипника, °С |
Lh min, час |
|
1 |
2700 |
1200 |
0 |
940 |
40 |
внутреннее |
спокойная |
125 |
12000 |
|
2 |
1400 |
1950 |
30 |
1450 |
30 |
внутреннее |
легкие толчки |
100 |
10000 |
|
3 |
2300 |
2500 |
120 |
935 |
45 |
наружное |
умеренные толчки |
110 |
12000 |
|
4 |
3200 |
1600 |
1400 |
1000 |
50 |
наружное |
значител. толчки |
130 |
10000 |
|
5 |
3500 |
1500 |
2000 |
200 |
55 |
внутреннее |
легкие толчки |
115 |
12000 |
Примечание. Схему нагружения подшипников принять самостоятельно
по таблице 13.
6.
Вопросы для самоконтроля
1. Назначение подшипников качения.
2. Устройство подшипников качения.
3. Достоинства и недостатки подшипников качения.
4. Классификация подшипников качения.
5. Какую нагрузку воспринимают различные типы
подшипников?
6. Почему роликовые подшипники воспринимают большую
нагрузку чем шариковые?
7. Почему шариковый радиально-упорный подшипник
воспринимает большую нагрузку чем шариковый радиальный?
8. Что указывается в условном обозначении подшипника?
9. Подбор и расчет радиального подшипника.
10. В каких случаях выбирают радиально-упорные
подшипники?
11. Особенности расчета радиально-упорного подшипника?
12. Назначение подшипников качения, их преимущества и
недостатки в сравнении с подшипниками скольжения.
13. Классификация подшипников качения по форме тел
качения и направлению воспринимаемой нагрузки.
14. Расшифровка маркировки подшипников (порядок
расположения цифр в условном обозначении и их назначение).
15. Материал и термическая обработка деталей
подшипников.
16. Наиболее характерные разновидности конструктивного
исполнения подшипников.
17. Пределы применимости в общем машиностроении,
представленных на эскизах подшипников.
7.
Список использованной литературы
1) Иванов М.Н. Детали машин: Учебник для вузов/ М.Н.
Иванов, В.А. Финогенов. - М.: Высшая шк., 2002.- 408 с.
2) Решетов Д.Н. Детали машин: Учебник для вузов. - М.:
Машиностроение, 1975.- 656 с.
3) Гузенков П.Г. Детали машин: Учебник для вузов.- М.:
Высшая шк., 1986.- 395 с.
4) Подшипники качения справочник – каталог. Под ред.
Нарышкина и Коросташевского Р.В. – М.: Машиностроение, 1984. – 542 с.
5) Анурьев В.И. Справочник
конструктора-машиностроителя. Т. 2. – 5-е издание перераб. и доп. – М.: Машиностроение,
1980. – 559 с.
6) Подшипники качения. Государственные стандарты СССР.
– В 2-х ч. Ч.1. – М.: Стандартов, 1989. – 439 с.
7) Подшипники качения. Государственные стандарты СССР.
– В 2-х ч. Ч.2. – М.: Стандартов, 1989. – 432 с.
Приложения
Таблица 15. Подшипники шариковые радиальные однорядные
(из ГОСТ8338 -75)

|
Обозна- чение |
Размеры, мм |
Грузоподъемность, кН |
Обозна- чение |
Размеры, мм |
Грузоподъемность, кН |
||||||||||
|
d |
D |
В |
r |
Dω |
Cr |
CUr |
d |
D |
В |
r |
Dω |
Cr |
CUr |
||
|
Легкая серия |
Средняя серия |
||||||||||||||
|
204 |
20 |
47 |
14 |
1,5 |
7,938 |
12,7 |
6,2 |
304 |
20 |
52 |
15 |
2 |
9,525 |
15,9 |
7,8 |
|
205 |
25 |
52 |
15 |
1,5 |
7,938 |
14,0 |
6,95 |
305 |
25 |
62 |
17 |
2 |
11,509 |
22,5 |
11,4 |
|
206 |
30 |
62 |
16 |
1,5 |
9,525 |
19,5 |
10,0 |
306 |
30 |
72 |
19 |
2 |
12,303 |
28,1 |
14,6 |
|
207 |
35 |
72 |
17 |
2 |
11,112 |
25,5 |
13,7 |
307 |
35 |
80 |
21 |
2,5 |
14,288 |
33,2 |
18,0 |
|
208 |
40 |
80 |
18 |
2 |
12,700 |
32,0 |
17,8 |
308 |
40 |
90 |
23 |
2,5 |
15,081 |
41,0 |
22,4 |
|
209 |
45 |
85 |
19 |
2 |
12,700 |
33,2 |
18,6 |
309 |
45 |
100 |
25 |
2,5 |
17,462 |
52,7 |
30,0 |
|
210 |
50 |
90 |
20 |
2 |
12,700 |
35,1 |
19,8 |
310 |
50 |
110 |
27 |
3 |
19,050 |
61,8 |
36,0 |
|
211 |
55 |
100 |
21 |
2,5 |
14,288 |
43,6 |
25,0 |
311 |
55 |
120 |
29 |
3 |
20,638 |
71,5 |
41,5 |
|
212 |
60 |
110 |
22 |
2,5 |
15,875 |
52,0 |
31,0 |
312 |
60 |
130 |
31 |
3,5 |
22,225 |
81,9 |
48,0 |
|
213 |
65 |
120 |
23 |
2,5 |
16,669 |
56,0 |
34,0 |
313 |
65 |
140 |
33 |
3,5 |
23,812 |
92,3 |
56,0 |
|
214 |
70 |
125 |
24 |
2,5 |
17,462 |
61,8 |
37,5 |
314 |
70 |
150 |
35 |
3,5 |
25,400 |
104,0 |
63,0 |
|
215 |
75 |
130 |
25 |
2,5 |
17,462 |
66,3 |
41,0 |
315 |
75 |
160 |
37 |
3,5 |
26,988 |
112,0 |
72,5 |
|
216 |
80 |
140 |
26 |
3 |
19,050 |
70,2 |
45,0 |
316 |
80 |
170 |
39 |
3,5 |
28,575 |
124,0 |
80,0 |
Пример обозначения
подшипника 209: «Подшипник 209 ГОСТ 8338—75».
Таблица 16. Подшипники шариковые радиальные однорядные с
канавкой под упорное пружинное кольцо
(из ГОСТ 2893—82)

|
Легкая серия |
Средняя серия |
||||||||||
|
Обозна- чение |
Размеры, мм |
Обозна- чение |
Размеры, |
мм |
|
||||||
|
d |
D1 |
D2 |
a |
с |
d |
D1 |
D2 |
а |
с |
||
|
50204 |
20 |
44,6 |
52,7 |
2,46 |
1,4 |
50304 |
20 |
49,7 |
57,9 |
2,46 |
1,4 |
|
50205 |
25 |
49,7 |
57,9 |
2,46 |
1,4 |
50305 |
25 |
59,6 |
67,7 |
3,28 |
1,9 |
|
50206 |
30 |
59,6 |
67,7 |
3,28 |
1,9 |
50306 |
30 |
68,8 |
78,6 |
3,28 |
1,9 |
|
50207 |
35 |
68,8 |
78,6 |
3,28 |
1,9 |
50307 |
35 |
76,8 |
86,6 |
3,28 |
1,9 |
|
50208 |
40 |
76,8 |
86,6 |
3,28 |
1,9 |
50308 |
40 |
86,8 |
96,5 |
3,28 |
2,7 |
|
50209 |
45 |
81,8 |
91,6 |
3,28 |
1,9 |
50309 |
45 |
96,8 |
106,5 |
3,28 |
2,7 |
|
50210 |
50 |
86,8 |
96,5 |
3,28 |
2,7 |
50310 |
50 |
106,8 |
116,6 |
3,28 |
2,7 |
|
50211 |
55 |
96,8 |
106,5 |
3,28 |
2,7 |
50311 |
55 |
115,2 |
129,7 |
4,06 |
3,1 |
|
50212 |
60 |
106,8 |
116,6 |
3,28 |
2,7 |
50312 |
60 |
125,2 |
139,7 |
4,06 |
3,1 |
|
50213 |
65 |
115,2 |
129,7 |
4,06 |
3,1 |
50313 |
65 |
135,2 |
149,7 |
4,9 |
3,1 |
|
50214 |
70 |
120,2 |
134,7 |
4,06 |
3,1 |
50314 |
70 |
145,2 |
159,7 |
4,9 |
3,1 |
|
50215 |
75 |
125,2 |
139,7 |
4,06 |
3,1 |
50315 |
75 |
155,2 |
169,7 |
4,9 |
3,1 |
|
50216 |
80 |
135,2 |
148,7 |
4,90 |
3,1 |
50316 |
80 |
163,6 |
182,9 |
5,7 |
3,5 |
Примечания: 1. r1 = 0,5 - 0,8 мм. 2. Значения D, В, r, Dω, Cr и CO ,следует принимать
по табл. 15 для
соответствующего размера подшипника.
Таблица 17. Подшипники шариковые радиальные сферические
двухрядные (из ГОСТ 28428-90)

|
Обо- значение |
Размеры, мм |
Грузоподъемность, кН |
Расчетные параметры |
|||||||||
|
d |
D |
В |
r |
Сr |
C0r |
е |
F/F<e |
F/F>e |
Y0 |
|||
|
X |
Y |
X |
Y |
|||||||||
|
Легкая серия |
||||||||||||
|
1204 1205 1206 |
20 25 30 |
47 52 62 |
14 15 16 |
1,5 1,5 1,5 |
10,0 12,2 15,6 |
3,45 4,4 6,2 |
0,27 0,27 0,24 |
1 |
2,31 2,32 2,58 |
0,65 |
3,57 3,6 3,99 |
2,42 2,44 2,7 |
Окончание табл.17
|
Обо- значе- ние |
Размеры, мм |
Грузоподъемность, кН |
Расчетные параметры |
|||||||||
|
d |
D |
B |
r |
Cr |
C0r |
е |
F/Fr <e |
F/Fr > e |
Y0 |
|||
|
X |
Y |
X |
Y |
|||||||||
|
1207 |
35 |
72 |
17 |
2 |
16,0 |
6,95 |
0,23 |
1 |
2,74 |
0,65 |
4,24 |
2,87 |
|
1208 |
40 |
80 |
18 |
2 |
19,3 |
8,8 |
0,22 |
2,87 |
4,44 |
3,01 |
||
|
1209 |
45 |
85 |
19 |
2 |
22,0 |
10,0 |
0,21 |
2,97 |
4,6 |
3,11 |
||
|
1210 |
50 |
90 |
20 |
2 |
22,8 |
11,0 |
0,21 |
3,13 |
4,85 |
3,28 |
||
|
1211 |
55 |
100 |
21 |
2,5 |
27,0 |
13,7 |
0,2 |
3,2 |
5,0 |
3,39 |
||
|
1212 |
60 |
110 |
22 |
2,5 |
30,0 |
16,0 |
0,19 |
3,4 |
5,27 |
3,57 |
||
|
1213 |
65 |
120 |
23 |
2,5 |
31,0 |
17,3 |
0,17 |
3,7 |
5,73 |
3,88 |
||
|
1214 |
70 |
125 |
24 |
2,5 |
34,5 |
19,0 |
0,18 |
3,5 |
5,43 |
3,68 |
||
|
1215 |
75 |
130 |
25 |
2,5 |
39,0 |
21,6 |
0,18 |
3,6 |
5,57 |
3,77 |
||
|
1216 |
80 |
140 |
26 |
3,0 |
40,0 |
23,6 |
0,16 |
3,9 |
6,10 |
4,13 |
||
|
Средняя серия |
||||||||||||
|
1304 |
20 |
52 |
15 |
2 |
12,5 |
4,4 |
0,29 |
1 |
2,17 |
0,65 |
3,35 |
2,27 |
|
1305 |
25 |
62 |
17 |
2 |
18,0 |
6,7 |
0,28 |
2,26 |
3,49 |
2,36 |
||
|
1306 |
30 |
72 |
19 |
2 |
21,2 |
8,5 |
0,26 |
2,46 |
3,80 |
2,58 |
||
|
1307 |
35 |
80 |
21 |
2,5 |
25,0 |
10,6 |
0,25 |
2,57 |
3,98 |
2,69 |
||
|
1308 |
40 |
90 |
23 |
2,5 |
29,0 |
12,9 |
0,23 |
2,61 |
4,05 |
2,74 |
||
|
1309 |
45 |
100 |
25 |
2,5 |
38,0 |
17,0 |
0,25 |
2,54 |
3,93 |
2,66 |
||
|
1310 |
50 |
110 |
27 |
3 |
41,5 |
19,3 |
0,24 |
2,68 |
4,14 |
2,80 |
||
|
1311 |
55 |
120 |
29 |
3 |
51,0 |
24,0 |
0,23 |
2,70 |
4,17 |
2,82 |
||
|
1312 |
60 |
130 |
31 |
3,5 |
57,0 |
28,0 |
0,23 |
2,80 |
4,33 |
2,93 |
||
|
1313 |
65 |
140 |
33 |
3,5 |
62,0 |
31,0 |
0,23 |
2,79 |
4,31 |
2,92 |
||
|
1314 |
70 |
150 |
35 |
3,5 |
75,0 |
37,5 |
0,22 |
2,81 |
4,35 |
2,95 |
||
|
1315 |
75 |
160 |
37 |
3,5 |
80,0 |
40,5 |
0,22 |
2,84 |
4,39 |
2,97 |
||
|
1316 |
80 |
170 |
39 |
3,5 |
88,0 |
45,0 |
0,22 |
2,92 |
4,52 |
3,06 |
||
Примечания: 1. Коэффициент статической радиальной
нагрузки Хо = 1,2.
Пример обозначения подшипника 1210: «Подшипник 1210 ГОСТ 28428—90*
Таблица 18. Подшипники роликовые радиальные с короткими
цилиндрическими роликами (из ГОСТ 8328-75)
|
Обозначение |
Размеры, мм |
Грузоподъемность, кН |
||||||||
|
d |
D |
В |
r |
r1 |
s* |
Сr |
C0r |
|||
|
Легкая серия |
||||||||||
|
2204 |
32204 |
42204 |
20 |
47 |
14 |
1,5 |
1 |
1,0 |
14,7 |
7,35 |
|
2205 |
32205 |
42205 |
25 |
52 |
15 |
1,5 |
1 |
1,1 |
16,8 |
8,8 |
|
2206 |
32206 |
42206 |
30 |
62 |
16 |
1,5 |
1 |
1,0 |
22,4 |
12,0 |
|
2207 |
32207 |
42207 |
35 |
72 |
17 |
2 |
1 |
1,1 |
31,9 |
17,6 |
|
2208 |
32208 |
42208 |
40 |
80 |
18 |
2 |
2 |
1,3 |
41,8 |
24,0 |
|
2209 |
32209 |
42209 |
45 |
85 |
19 |
2 |
2 |
1,2 |
44,0 |
25,5 |
|
2210 |
32210 |
42210 |
50 |
90 |
20 |
2 |
2 |
1,2 |
45,7 |
27,5 |
|
2211 |
32211 |
42211 |
55 |
100 |
21 |
2,5 |
2,5 |
1,6 |
56,1 |
34,0 |
|
2212 |
32212 |
42212 |
60 |
110 |
22 |
2,5 |
2,5 |
1,4 |
64,4 |
43,0 |
|
2213 |
32213 |
42213 |
65 |
120 |
23 |
2,5 |
2,5 |
1,3 |
76,5 |
51,0 |
|
2214 |
32214 |
42214 |
70 |
125 |
24 |
2,5 |
2,5 |
1,2 |
79,2 |
51,0 |
|
2215 |
32215 |
42215 |
75 |
130 |
25 |
2,5 |
2,5 |
1,2 |
91,3 |
63,0 |
|
2216 |
32216 |
42216 |
80 |
140 |
26 |
3,0 |
3,0 |
0,8 |
106,0 |
68,0 |
|
Средняя
серия |
||||||||||
|
2304 |
32304 |
42304 |
20 |
52 |
15 |
2 |
1 |
1,0 |
20,5 |
10,4 |
|
2305 |
32305 |
42305 |
25 |
62 |
17 |
2 |
2 |
1,3 |
28,6 |
15,0 |
|
2306 |
32306 |
42306 |
30 |
72 |
19 |
2 |
2 |
1,3 |
36,9 |
20,0 |
|
2307 |
32307 |
42307 |
35 |
80 |
21 |
2,5 |
2 |
1,3 |
44,6 |
27,0 |
|
2308 |
32308 |
42308 |
40 |
90 |
23 |
2,5 |
2,5 |
1,1 |
56,1 |
32,5 |
|
2309 |
32309 |
42309 |
45 |
100 |
25 |
2,5 |
2,5 |
1Д |
72,1 |
41,5 |
|
2310 |
32310 |
42310 |
50 |
110О |
27 |
3 |
3 |
1,6 |
88,0 |
52,0 |
|
2311 |
32311 |
42311 |
55 |
120 |
29 |
3 |
3 |
1,7 |
102,0 |
67,0 |
|
2312 |
32312 |
42312 |
60 |
130 |
31 |
3,5 |
3,5 |
2,4 |
123,0 |
76,5 |
|
2313 |
32313 |
42313 |
65 |
140 |
33 |
3,5 |
3,5 |
2,5 |
138,0 |
85,0 |
|
2314 |
32314 |
42314 |
70 |
150 |
35 |
3,5 |
3,5 |
2,3 |
151,0 |
102,0 |
|
2315 |
32315 |
42315 |
75 |
160 |
37 |
3,5 |
3,5 |
2,4 |
183,0 |
125,0 |
|
2316 |
32316 |
42316 |
80 |
170 |
39 |
3,5 |
3,5 |
2,3 |
190,0 |
125,0 |
Примечания: 1. s* — допустимое осевое смещение колец из среднего положения.
2. Пример обозначения
подшипника 2207: «Подшипник 2207 ГОСТ8328-75»
Таблица 19. Подшипники роликовые радиальные с короткими
цилиндрическими роликами с одним бортом
на наружном кольце (из ГОСТ 8328—75)

|
Обозна- чение |
Размеры, мм |
Грузоподъемность, кН |
||||||
|
d |
D |
В |
r |
r1 |
s* |
Сr |
C0r |
|
|
Легкая серия |
||||||||
|
12204 |
20 |
47 |
14 |
1,5 |
1 |
1,0 |
14,7 |
7,35 |
|
12205 |
25 |
52 |
15 |
1,5 |
1 |
1,1 |
16,8 |
8,8 |
|
12206 |
30 |
62 |
16 |
1,5 |
1 |
1,0 |
22,4 |
12,0 |
|
12207 |
35 |
72 |
17 |
2 |
1 |
1,1 |
31,9 |
17,6 |
|
12208 |
40 |
80 |
18 |
2 |
2 |
1,3 |
41,8 |
24,0 |
|
12209 |
45 |
85 |
19 |
2 |
2 |
1,2 |
44,0 |
25,5 |
|
12210 |
50 |
90 |
20 |
2 |
2 |
1,2 |
45,7 |
27,5 |
|
12211 |
55 |
100 |
21 |
2,5 |
2 |
1,6 |
56,1 |
34,0 |
|
12212 |
60 |
110 |
22 |
2,5 |
2,5 |
1,4 |
64,4 |
43,0 |
|
12213 |
65 |
120 |
23 |
2,5 |
2,5 |
1,3 |
76,5 |
51,0 |
|
12214 |
70 |
125 |
24 |
2,5 |
2,5 |
1,2 |
79,2 |
51,0 |
|
12215 |
75 |
130 |
25 |
2,5 |
2,5 |
1,2 |
91,3 |
63,0 |
|
12216 |
80 |
140 |
26 |
3,0 |
3,0 |
0,8 |
106,0 |
68,0 |
|
Средняя серия |
||||||||
|
12304 |
20 |
52 |
15 |
2 |
1 |
1,0 |
20,5 |
10,4 |
|
12305 |
25 |
62 |
17 |
2 |
2 |
1,3 |
28,6 |
15,0 |
|
12306 |
30 |
72 |
19 |
2 |
2 |
1,3 |
36,9 |
20,0 |
|
12307 |
35 |
80 |
21 |
2,5 |
2 |
1,3 |
44,6 |
27,0 |
|
12308 |
40 |
90 |
23 |
2,5 |
2,5 |
1,0 |
56,1 |
32,5 |
|
12309 |
45 |
100 |
25 |
2,5 |
2,5 |
1,1 |
72,1 |
41,5 |
|
12310 |
50 |
110 |
27 |
3 |
3 |
1,6 |
88,0 |
52,0 |
|
12311 |
55 |
120 |
29 |
3 |
3 |
1,7 |
102,0 |
67,0 |
|
12312 |
60 |
130 |
31 |
3,5 |
3,5 |
2,4 |
123,0 |
76,5 |
|
12313 |
65 |
140 |
33 |
3,5 |
3,5 |
2,5 |
138,0 |
85,0 |
|
12314 |
70 |
150 |
35 |
3,5 |
3,5 |
2,3 |
151,0 |
102,0 |
|
12315 |
75 |
160 |
37 |
3,5 |
3,5 |
2,4 |
183,0 |
125,0 |
|
12316 |
80 |
170 |
39 |
3,5 |
3,5 |
2,3 |
190,0 |
125,0 |
Примечания: 1. s* — допустимое осевое смещение колец из среднего положения.
2. Пример обозначения подшипника 12207: «Подшипник
12207 ГОСТ 8328— 75».
Таблица 20. Подшипники шариковые радиально-упорные
однорядные (из ГОСТ 831-75)

|
Обозначение |
Размеры, мм |
Грузоподъемность, кН |
||||||||
|
α= 12° |
α= 26° |
α = 12° |
α = 26° |
|||||||
|
d |
D |
В |
r |
|
Сr |
C0r |
Сr |
C0r |
||
|
Легкая серия |
||||||||||
|
36204 |
46204 |
20 |
47 |
14 |
1 |
7,938 |
15,7 |
8,31 |
14,8 |
7,64 |
|
36205 |
46205 |
25 |
52 |
15 |
1 |
7,938 |
16,7 |
9,1 |
15,7 |
8,34 |
|
36206 |
46206 |
30 |
62 |
16 |
1 |
9,525 |
22,0 |
12,0 |
21,9 |
12,0 |
|
36207 |
46207 |
35 |
72 |
17 |
1,1 |
11,112 |
30,8 |
17,8 |
29,0 |
16,4 |
|
36208 |
46208 |
40 |
80 |
18 |
1,1 |
12,700 |
38,9 |
23,2 |
36,8 |
21,4 |
|
36209 |
46209 |
45 |
85 |
19 |
1,1 |
12,700 |
41,2 |
25,1 |
38,7 |
23,1 |
|
36210 |
46210 |
50 |
90 |
20 |
1,1 |
12,700 |
43,2 |
27,0 |
40,6 |
24,9 |
|
36211 |
46211 |
55 |
100 |
21 |
1,5 |
14,288 |
58,4 |
34,2 |
50,3 |
31,5 |
|
36212 |
46212 |
60 |
110 |
22 |
1,5 |
15,875 |
61,5 |
39,3 |
60,8 |
38,8 |
|
— |
46213 |
65 |
120 |
23 |
1,5 |
16,669 |
— |
— |
69,4 |
45,9 |
|
36214 |
— |
70 |
125 |
24 |
1,5 |
17,462 |
80,2 |
54,8 |
— |
- |
|
— |
46215 |
75 |
130 |
25 |
1,5 |
17,462 |
— |
— |
78,4 |
53,8 |
|
36216 |
46216 |
80 |
140 |
26 |
2,0 |
19,050 |
93,6 |
65,0 |
87,9 |
60,0 |
|
Средняя серия |
||||||||||
|
— |
46304 |
20 |
52 |
15 |
1,1 |
9,525 |
— |
— |
17,8 |
9,0 |
|
— |
46305 |
25 |
62 |
17 |
1,1 |
11,509 |
— |
— |
26,9 |
14,6 |
|
— |
46306 |
30 |
72 |
19 |
1,1 |
12,303 |
— |
— |
32,6 |
18,3 |
|
— |
46307 |
35 |
80 |
21 |
1,5 |
14,288 |
— |
— |
42,6 |
24,7 |
|
36308 |
46308 |
40 |
90 |
23 |
1,5 |
15,081 |
53,9 |
32,8 |
50,8 |
30,1 |
|
— |
46309 |
45 |
100 |
25 |
1,5 |
17,462 |
— |
— |
61,4 |
37,0 |
|
— |
46310 |
50 |
110 |
27 |
2,0 |
19,050 |
— |
— |
71,8 |
44,0 |
|
— |
46311 |
55 |
120 |
29 |
2,0 |
20,638 |
— |
— |
82,8 |
51,6 |
|
— |
46312 |
60 |
130 |
31 |
2,1 |
22,225 |
— |
— |
100,0 |
65,3 |
|
— |
46313 |
65 |
140 |
33 |
2,1 |
23,812 |
— |
— |
113,0 |
75,0 |
|
— |
46314 |
70 |
150 |
35 |
2,1 |
25,400 |
— |
— |
127,0 |
85,3 |
|
— |
46316 |
80 |
170 |
39 |
2,1 |
28,575 |
— |
— |
136,0 |
99,0 |
Примечания: 1. Параметры
подшипников с углом контакта α = 15°
(тип 36200К6) .
2. Пример обозначения
подшипника 36209: «Подшипник 36209 ГОСТ 831-75».
Таблица 21. Подшипники роликовые конические однорядные
повышенной грузоподъемности,
α = 12...16° (из ГОСТ 27365-87)

|
Обозна- чение |
Размеры, мм |
Грузоподъемность, кН |
Расчетные параметры |
|||||||||
|
d |
D |
Тнаиб |
В |
С |
r1 |
r2 |
Cr |
C0r |
е |
Y |
Yo |
|
|
Легкая серия |
||||||||||||
|
7204А |
20 |
47 |
15,5 |
14 |
12 |
1 |
1 |
26,0 |
16,6 |
0,35 |
1,7 |
0,9 |
|
7205А |
25 |
52 |
16,5 |
15 |
13 |
1 |
1 |
29,2 |
21,0 |
0,37 |
1,6 |
0,9 |
|
7206А |
30 |
62 |
17,5 |
16 |
14 |
1 |
1 |
38,0 |
25,5 |
0,37 |
1,6 |
0,9 |
|
7207А |
35 |
72 |
18,5 |
17 |
15 |
1,5 |
1,5 |
48,4 |
32,5 |
0,37 |
1,6 |
0,9 |
|
7208А |
40 |
80 |
20 |
18 |
16 |
1,5 |
1,5 |
58,3 |
40,0 |
0,37 |
1,6 |
0,9 |
|
7209А |
45 |
85 |
21 |
19 |
16 |
1,5 |
1,5 |
62,7 |
50,0 |
0,40 |
1,5 |
0,8 |
|
7210А |
50 |
90 |
22 |
20 |
17 |
1,5 |
1,5 |
70,4 |
55,0 |
0,43 |
1,4 |
0,8 |
|
7211А |
55 |
100 |
23 |
21 |
18 |
2 |
1,5 |
84,2 |
61,0 |
0,40 |
1,5 |
0,8 |
|
7212А |
60 |
110 |
24 |
22 |
19 |
2 |
1,5 |
91,3 |
70,0 |
0,40 |
1,5 |
0,8 |
|
7213А |
65 |
120 |
25 |
23 |
20 |
2 |
1,5 |
108,0 |
78,0 |
0,40 |
1,5 |
0,8 |
|
7214А |
70 |
125 |
26,5 |
24 |
21 |
2 |
1,5 |
119,0 |
89,0 |
0,43 |
1,4 |
0,8 |
|
7215А |
75 |
130 |
27,5 |
25 |
22 |
2 |
1,5 |
130,0 |
100,0 |
0,43 |
1,4 |
0,8 |
|
7216А |
80 |
140 |
28,5 |
26 |
22 |
2,5 |
2 |
140,0 |
114,0 |
0,43 |
1,4 |
0,8 |
|
Средняя серия |
||||||||||||
|
7304А |
20 |
52 |
16,5 |
15 |
13 |
1,5 |
1,5 |
31,9 |
20,0 |
0,3 |
2,0 |
1,1 |
|
7305А |
25 |
62 |
18,5 |
17 |
15 |
1.5 |
1,5 |
41,8 |
28,0 |
0,3 |
2,0 |
1,1 |
|
7306А |
30 |
72 |
21 |
19 |
16 |
1,5 |
1,5 |
52,8 |
39,0 |
0,31 |
1,9 |
1,1 |
|
7307А |
35 |
80 |
23 |
21 |
18 |
2 |
1,5 |
68,2 |
50,0 |
0,31 |
1,9 |
1,1 |
|
7308А |
40 |
90 |
25,5 |
23 |
20 |
2 |
1,5 |
80,9 |
56,0 |
0,35 |
1,7 |
0,9 |
|
7309А |
45 |
100 |
27,5 |
25 |
22 |
2 |
1,5 |
101,0 |
72,0 |
0,35 |
1,7 |
0,9 |
|
7310А |
50 |
110 |
29,5 |
27 |
23 |
2,5 |
2 |
117,0 |
90,0 |
0,35 |
1,7 |
0,9 |
|
7311А |
55 |
120 |
32 |
29 |
25 |
2,5 |
2 |
134,0 |
110,0 |
0,35 |
1,7 |
0,9 |
|
7312А |
60 |
130 |
34 |
31 |
26 |
3 |
2,5 |
161,0 |
120,0 |
0,35 |
1,7 |
0,9 |
|
7313А |
65 |
140 |
36,5 |
33 |
28 |
3 |
2,5 |
183,0 |
150,0 |
0,35 |
1,7 |
0,9 |
|
7314А |
70 |
150 |
38,5 |
35 |
30 |
3 |
2,5 |
209,0 |
170,0 |
0,35 |
1,7 |
0,9 |
|
7315А |
75 |
160 |
40,5 |
37 |
31 |
3 |
2,5 |
229,0 |
185,0 |
0,35 |
1,7 |
0,9 |
|
7316А |
80 |
170 |
43 |
39 |
33 |
3 |
2,5 |
255,0 |
190,0 |
0,35 |
1,7 |
0,9 |
Примечание. Пример обозначения
подшипника 7206А: «Подшипник 7206А ГОСТ27365—87».
Таблица 22. Подшипники роликовые конические однорядные с
большим углом конусности, α= 29°
(из ГОСТ 27365—87) (обозначения по рис. к табл. 21)
|
Обозна- чение |
Размеры, мм |
Грузоподъемность, кН |
Расчетные
параметры |
|||||||||
|
d |
D |
Тнаиб |
В |
С |
r1 |
r2 |
Сr |
C0r |
е |
Y |
Yо |
|
|
1027305А |
25 |
62 |
18,5 |
17 |
13 |
1,5 |
1,5 |
35,8 |
23,2 |
|
|
|
|
1027306А |
30 |
72 |
21 |
19 |
14 |
1,5 |
1,5 |
44,6 |
29,0 |
|
|
|
|
1027307А |
35 |
80 |
23 |
21 |
15 |
2 |
1,5 |
57,2 |
39,0 |
|
|
|
|
1027308А |
40 |
90 |
25,5 |
23 |
17 |
2 |
1,5 |
69,3 |
54,0 |
0,83 |
0,72 |
0,4 |
|
1027309А |
45 |
100 |
27,5 |
25 |
18 |
2 |
1,5 |
85,8 |
60,0 |
|
|
|
|
1027310А |
50 |
110 |
29,5 |
27 |
19 |
2,5 |
2 |
99,0 |
72,5 |
|
|
|
|
1027311А |
55 |
120 |
32 |
29 |
21 |
2,5 |
2 |
114,0 |
80,0 |
|
|
|
|
1027312А |
60 |
130 |
34 |
31 |
22 |
3 |
2,5 |
134,0 |
96,5 |
|
|
|
|
1027313А |
65 |
140 |
36,5 |
33 |
23 |
3 |
2,5 |
154,0 |
112,0 |
|
|
|
|
1027314А |
70 |
150 |
38,5 |
35 |
25 |
3 |
2,5 |
176,0 |
127,0 |
|
|
|
|
1027315А |
75 |
160 |
40,5 |
37 |
26 |
3 |
2,5 |
194,0 |
143,0 |
|
|
|
|
1027316А |
80 |
170 |
42,5 |
39 |
27 |
3 |
2,5 |
212,0 |
153,0 |
|
|
|
Примечание. Пример обозначения подшипника 1027308А: «Подшипник 1027308А ГОСТ 27365-87».
Таблица 23. Подшипники роликовые конические однорядные с
упорным бортом на наружном кольце.
Размеры борта, мм (из ГОСТ 27365—87)

|
D |
D1 |
С1 для конструктивной
разновидности подшипников |
||
|
7200А |
7300А |
1027300А |
||
|
47 |
51 |
3,0 |
3,0 |
- |
|
52 |
57 |
3,5 |
3,5 |
- |
|
62 |
67 |
3,5 |
4,0 |
4,0 |
|
72 |
77 |
4,0 |
4,0 |
4,0 |
|
80 |
85 |
4,0 |
4,5 |
4,5 |
|
85 |
90 |
4,0 |
— |
|
|
90 |
95 |
4,0 |
4,5 5,0 5,0 5,5 — 5,5 6,0 7,0 7,0 |
4,5 |
|
100 |
106 |
4,5 |
5,0 |
|
|
ПО |
116 |
4,5 |
5,0 |
|
|
120 |
127 |
4,5 |
5,5 |
|
|
125 |
132 |
5,0 |
- |
|
|
130 |
137 |
5,0 |
5,5 |
|
|
140 |
147 |
5,0 |
6,0 |
|
|
150 |
158 |
5,0 |
7,0 |
|
|
160 |
168 |
6,0 |
7,0 |
|
Примечания: 1. Т1 =Т – С + С1. 2.
Другие параметры подшипников см. табл. 21
и 22.
Таблица 24.
Подшипники шариковые упорные одинарные и
двойные (из ГОСТ 7872-89)

|
Обозначение |
Размеры, мм |
Грузоподъемность, кН |
|||||||||
|
d |
d2 |
D |
Н |
H1 |
а |
г |
h |
Ca |
C0a |
||
|
Легкая серия |
|||||||||||
|
8204Н |
38204Н |
20 |
15 |
40 |
14 |
26 |
6 |
1 |
4 |
22,4 |
32,0 |
|
8205Н |
38205Н |
25 |
20 |
47 |
15 |
28 |
7 |
1 |
4,2 |
28,0 |
42,5 |
|
8206Н |
38206Н |
30 |
25 |
52 |
16 |
29 |
7 |
1 |
4,8 |
25,5 |
40,0 |
|
8207Н |
38207Н |
35 |
30 |
62 |
18 |
34 |
8 |
1,5 |
5 |
35,5 |
57,0 |
|
8208Н |
38208Н |
40 |
30 |
68 |
19 |
36 |
9 |
1,5 |
5,2 |
46,5 |
83,0 |
|
8209Н |
38209Н |
45 |
35 |
73 |
20 |
37 |
9 |
1,5 |
5,7 |
39,0 |
67,0 |
|
8210Н |
38210Н |
50 |
40 |
78 |
22 |
39 |
9 |
1,5 |
6,3 |
50,0 |
90,0 |
|
8211Н |
38211Н |
55 |
45 |
90 |
25 |
45 |
10 |
1,5 |
7,1 |
61,0 |
114,0 |
|
8212Н |
38212Н |
60 |
50 |
95 |
26 |
46 |
10 |
1,5 |
7,3 |
62,0 |
118,0 |
|
8213Н |
38213Н |
65 |
55 |
100 |
27 |
47 |
10 |
1,5 |
8 |
64,0 |
125,0 |
|
8214Н |
38214Н |
70 |
55 |
105 |
27 |
47 |
10 |
1,5 |
8 |
65,5 |
134,0 |
|
8215Н |
38215Н |
75 |
60 |
110 |
27 |
47 |
10 |
1,5 |
8 |
67,0 |
143,0 |
|
Средняя серия |
|||||||||||
|
8305Н |
38305Н |
25 |
20 |
52 |
18 |
34 |
8 |
1,5 |
5 |
34,5 |
46,5 |
|
8306Н |
38306Н |
30 |
25 |
60 |
21 |
38 |
9 |
1,5 |
6 |
38,0 |
55,0 |
|
8307Н |
38307Н |
35 |
30 |
68 |
24 |
44 |
10 |
1,5 |
7 |
50,0 |
75,0 |
|
8308Н |
38308Н |
40 |
30 |
78 |
26 |
49 |
12 |
1,5 |
7,6 |
61,0 |
95,0 |
|
8309Н |
38309Н |
45 |
35 |
85 |
28 |
52 |
12 |
1,5 |
8,2 |
75,0 |
118,0 |
|
8310Н |
38310Н |
50 |
40 |
95 |
31 |
58 |
14 |
2 |
9,1 |
88,0 |
146,0 |
|
8311Н |
38311Н |
55 |
45 |
105 |
35 |
64 |
15 |
2 |
10,1 |
102,0 |
176,0 |
|
8312Н |
38312Н |
60 |
50 |
110 |
35 |
64 |
15 |
2 |
10,1 |
102,0 |
176,0 |
|
8313Н |
38313Н |
65 |
55 |
115 |
36 |
65 |
15 |
2 |
10,5 |
106,0 |
186,0 |
|
8314Н |
38314Н |
70 |
55 |
125 |
40 |
72 |
16 |
2 |
12 |
137,0 |
250,0 |
|
8315Н |
38315Н |
75 |
60 |
135 |
44 |
79 |
18 |
2,5 |
13 |
163,0 |
300,0 |
Примечание. Пример обозначения
одинарного подшипника 8210H: «Подшипник 8210H ГОСТ
7872-89*.
email: KarimovI@rambler.ru
Адрес: Россия, 450071, г.Уфа, почтовый ящик 21
Теоретическая механика Сопротивление материалов
Строительная механика Детали машин Теория машин и механизмов