Опоры
валов зубчатых передач
Обозначения:
dw1 и dw2 - начальные
диаметры цилиндрических колес или средние диаметры начальных конусов конических
колес;
z1 и z2 - число зубьев
колес;
R - нормальная сила, действующая в зацеплении,
Н;
Р - окружная сила в зацеплении, Н;
T - радиальная сила в зацеплении, Н;
А - осевая сила в зацеплении, Н;
* В разделе "Опоры валов зубчатых
передач" обозначения параметров соответствуют обозначениям, приведенным в
справочниках.
α - угол зацепления в плоскости, перпендикулярной
к боковой поверхности зуба;
ρ - угол трения скольжения между зубьями
(для большинства случаев принимают равным 3°);
FrI, FrII, FrIII- Радиальные нагрузки на подшипники, Н;
β - угол наклона зуба;
δ1 и δ2 -
углы начальных конусов зубчатых колес конической передачи;
τ - угол подъема винтовой линии червяка;
h - высота хода винтовой линии червяка;
Fa - осевая нагрузка на подшипник, Н
Формулы для расчета нагрузок на оно валов приведены в табл. 115-125.
115.
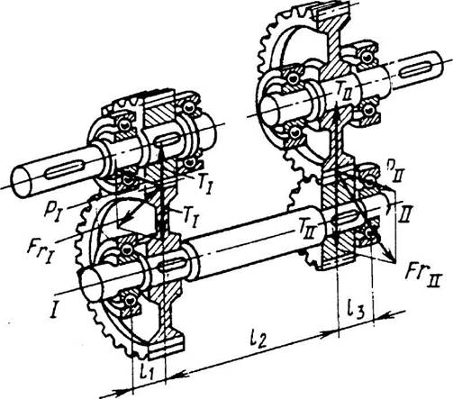
Формулы для определения нагрузок на опоры прямозубой цилиндрической зубчатой
передачи

T=Ptg(a+p)
|
Номер опоры |
Реакция |
Результирующая
нагрузка на опору |
|
|
от окружной силы
Р |
от радиальной
силы Т |
||
|
I |
|
|
|
|
II |
|
|
|
|
III |
|
|
|
|
IV |
|
|
|
116. Формулы для определения нагрузки на опоры вала
промежуточного колеса прямозубой цилиндрической передачи

|
Схема передачи |
Результирующая
нагрузка на опору |
|
|
|
|
|
|
|
|
|
117. Нагрузки на опоры промежуточного вала прямозубой двухступенчатой цилиндрической передачи

|
№ опоры |
Реакция |
Результирующая
нагрузка на опоры |
|
|
от окружной силы
Р |
от радиальной
силы Т |
||
|
I |
|
|
|
|
II |
|
|
|
118. Формулы для расчета нагрузки
на опоры промежуточного
вала прямозубой двухступенчатой
соосной цилиндрической передачи

ТI=P1tg(а+р);
ТII=Р2tg(а+р).
|
№ опоры |
Реакция |
Результирующая
нагрузка на опоры |
|
|
от окружной силы
Р |
от радиальной
силы Т |
||
|
I |
|
|
|
|
II |
|
|
|
119. Формулы для расчета нагрузок на опоры зубчатой цилиндрической передачи с косыми зубьями (валы параллельны)
Силы ТV и TVI, а также ТVII
и TVIII противоположно направлены. Осевая реакция от силы А воспринимается только одной из опор вала
Т=Ptg(а+р)/cosβ;
А=Ptgβ;
D0=dw

|
№ опоры |
Нагрузка на
опоры |
Результирующая
сила |
Неопределенное
или переменное направление вращения |
||||||
|
от окружной силы
Р |
от радиальной
силы Т |
от осевой силы А |
Направление зуба
ведущего колеса |
||||||
|
правое |
левое |
левое |
правое |
||||||
|
При вращении
относительно часовой стрелки |
|||||||||
|
по |
против |
по |
против |
||||||
|
I |
|
|
|
|
|
|
|||
|
II |
|
|
|
|
|
|
|||
|
III |
|
|
|
|
|
|
|||
|
IV |
|
|
|
|
|
|
|||
120. Формулы для расчета нагрузок на опоры зубчатой цилиндрической передачи с шевронным зубом

Силы А взаимно уравновешиваются
|
№ опоры |
Нагрузки на
опоры |
||
|
от окружной силы
Р |
от радиальной
силы Т |
результирующая |
|
|
I |
|
|
|
|
II |
|
|
|
|
III |
|
|
|
|
IV |
|
|
|
121. Нагрузки на поры зубчатой конической
прямозубой передачи (валы взаимно перпендикулярны)

Угол δ относится к ведущему
колесу.
Сила Tдействует перпендикулярно, а сила А - параллельно
оси ведущего колеса
T=Рtg(a+p)cosδ;
А=Рtg(а+р)sinδ;
D0=dw
|
№ опоры |
Нагрузки на опоры |
|||
|
от окружной силы
Р |
от радиальной
силы Т |
от силы А |
результирующая |
|
|
I |
|
|
|
|
|
II |
|
|
|
|
|
III |
|
|
|
|
|
IV |
|
|
|
|
122. Формулы для расчета сил, действующих в зацеплении, и нагрузки на опоры зубчатой конической передачи с круговыми зубьями (валы взаимно перпендикулярны)

δ - угол начального конуса ведущего
колеса.
dw1 и
dw2 - средние диаметры
начальных конусов ведущего и ведомого колес.
Осевые нагрузки от сил Т и А воспринимаются
одной из опор каждого вала D0 = dw
|
Направление
спирали и направление вращения ведущего колеса |
Силы,
действующие на зубья обоих колес |
№ опоры |
Нагрузка на
опоры |
|||
|
от окружной силы
Р |
от силы Т |
от силы А |
результирующая |
|||
|
Правое, по часовой стрелке, или левое, против часовой стрелки |
|
I |
|
|
|
|
|
|
II |
|
|
|
|
|
|
Правое, против часовой стрелке, или левое, по часовой стрелки |
|
III |
|
|
|
|
|
|
IV |
|
|
|
|
|
123. Реакции и результирующие нагрузки на опоры червячной передачи при правой нарезке и вращении по часовой стрелке

Окружная сила Q червяка определяется как сила Р для цилиндрических зубчатых колес. Коэффициент трения для пары сталь - бронза
f= 0,02 … 0,03, для пары чугун
- чугун f= 0,1.
Осевые нагрузки Fa воспринимаются одной из опор:
на червячном валу FaI=Р или FaII=Р; на валу червячного колеса FaIII=Q
или FaIV=Q.
![]()
![]()
![]()
где τ - угол подъема
винтовой линии червяка; h - ходовая высота подъема винтовой линии червяка; t - шаг по оси червяка;
z1 - число заходов червяка
|
№ опоры |
Реакция |
Результирующая нагрузка
при правой нарезке червяка и вращении по часовой стрелке |
||
|
от силы Q |
от силы Т |
от силы Р |
||
|
I |
|
|
|
|
|
II |
|
|
|
|
|
III |
|
|
|
|
|
IV |
|
|
|
|
124. Результирующие нагрузки на опоры червячной передачи при правой и левой нарезке*
|
№ опоры |
Результирующая
нагрузка |
||
|
при правой
нарезке червяка и вращении против часовой стрелки |
при левой
нарезке червяка и вращении |
||
|
по часовой
стрелке |
против
часовой стрелке |
||
|
I |
|
|
|
|
II |
|
|
|
|
III |
|
|
|
|
IV |
|
|
|
* Определение реакций для опор по
табл. 123.
125. Нагрузки на опоры зубчатой цилиндрической передачи с прямыми зубьями (внутреннее зацепление)

|
№ опоры |
Нагрузка на
опоры |
||
|
от окружной силы
Р |
от радиальной
силы Т |
результирующая |
|
|
I |
|
|
|
|
II |
|
|
|
|
III |
|
|
|
|
IV |
|
|
|
email: KarimovI@rambler.ru
Адрес: Россия, 450071, г.Уфа, почтовый ящик 21
Теоретическая механика Сопротивление материалов
Строительная механика Детали машин Теория машин и механизмов